简介
发电机主要由发电机转子、发电机定子、端盖和轴承、整流器以及氢气冷却系统组成。按照发电机结构的不同可以分为交流发电机和直流发电机。交流发电机线圈两端各接一个铜制圆环(滑环)即电刷;直流发电机线圈两端有两个彼此绝缘的铜制半环构成的换向器。交流发电机还可以分为同步发电机和异步发电机;按照产生电的方式上可分为汽轮发电机、水轮发电机、柴油发电机、汽油发电机等。发电机在日常生活用电和消费产品中有广泛的用途。例如风力、水力、火力发电厂;汽车、手电等。
发电机的发明是人类社会进步的重要标志之一。1831年,英国物理学家法拉第(Michael Faraday)发现了电磁感应。他利用这个技术发明了第一台能够产生连续电流的发电机。1869年,比利时学者古拉姆(Ghoulam)对发电机进行了改进,经过改进的发电机是历史上第一个能够驱动许多电气设备的发电机。1873年,德国西门子公司在古拉姆发电机的基础上发明了交流发电机。1883 年,美国物理学家尼古拉·特斯拉(Nikola Tesla)发明了小型交流电发电机。随着科技的进步,科学家们陆续成功研制出了各种新型发电机。
历史沿革
理论背景
公元前6世纪,希腊哲学家已经记录了一种使用布摩擦后的珀能够吸引毛发的现象。在中国古籍中也有类似的“琥珀拾芥”的记载。
1660年,德国物理学家、官员奥托·冯·格里克(德语:Otto von Guericke,1602年11月20日~1686年5月11日)建造了世界上第一个旋转式摩擦发电机,但是它只产生静电,很难在实际应用中使用。
18世纪,人们发现电分为两种,即“正电”和“负电”,并确认了同性相斥、异性相吸的规律。
18世纪,美国的科学家本杰明·富兰克林(Benjamin Franklin,1706年1月17日~1790年4月17日)进行的实验证明了电和闪电是同样的物质。
1780年,意大利医生伽尔瓦尼(Galvani,1737年9月9日~1798年)开始研究化学反应。他通过观察动物组织对电流的反应来探究这个领域,并将动物组织描述为能够产生电的物质。虽然他的理论后来被证明是错误的,但他的实验还是推动了电学的发展。
1785年,法国工程师、物理学家查利·奥古斯丁·库仑(Charles-Augustin de Coulomb,1736年6月14日~1806年8月23日)使用实验方法确定了电荷间相互作用的定律,并给出了电荷的定量意义,这被称为库仑定律。这些成果为静电学打下了重要基础。
1799年,意大利物理学家伏特(Alessandro Volta,1745年~1827年)发现了伽尔瓦尼实验的问题,并得出结论,认为电流并不是源于动物,而是可以通过将不同金属放置于潮湿物体之间来产生。这一重大发现促使伏特于1800年发明了世上第一块电池,极大地推动了电学领域的发展。
实验探究
1800年,伏特首次成功将化学能转化为电能,这使得电流成为科学研究的重要对象。伏特的电池为人类带来了动电时代,也揭示了电流的化学效应和热效应。
1820年,丹麦物理学家奥斯特(Hans Christian Oersted,1777年8月14日~1851年3月9日)发现了电流对磁针。
发明产生
1821年,英国物理学家法拉第(Michael Faraday,1791年9月22日~1867年8月25日)发明了第一台电动机,装置虽然很简单,但却为现代使用的电动机定了基础。这是一次重大的突破。
1831年,法拉第发现当一个磁铁穿过一个闭合电路时,这个线路内就会产生电流。这称之为电磁感应。这项发现被认为是法拉第最伟大的贡献之一。他利用这个技术发明了第一台能够产生连续电流的发电机。从那时起,发电机都是根据相同的电磁感应原理制成的。尽管当时电力的实际用处还受到限制(因为只有简单的电池发电),但这个发现对于现代电力工业来说是至关重要的。
创新改进
1866 年,德国的工程师和发明家韦纳·冯·西门子(Ernst Werner von Siemens,1816年12月13日~1892年12月6日)利用电磁铁代替永久磁铁来改良发电机,从而增强了磁性并产生了更为强大的电流。这项技术的应用从实验阶段成功地转变成了实际应用。
1869年,比利时学者古拉姆(Ghoulam)对发电机进行了改进,经过古拉姆改良的发电机是历史上第一个能够驱动许多电气设备的发电机,因此古拉姆被誉为“现代发电机之父”。
1873年,德国西门子公司在古拉姆发电机的基础上发明了交流发电机。
1878年,法国建成了第一座水力发电站。
1882年,世界著名的发明家、物理学家、企业家托马斯·阿尔瓦·爱迪生(Thomas Alva Edison,1847年2月11日~1931年10月18日)建造了第一座直流发电厂。
1882年,珍珠发电厂在美国曼哈顿运营,是世界上最早的发电厂之一。该发电厂拥有6台120千瓦的蒸汽机发电机组。
1882年,英国人在上海建成了中国最早的发电厂,也是当时专门为电灯照明供电的。这家发电厂隶属于上海电光公司。
1883 年,美国物理学家尼古拉·特斯拉(Nikola Tesla,1856年7月10日~1943年1月7日)发明了小型交流电发电机。
20世纪中叶,前苏联制造了第一座原子能核电站。
科学家们一直在进行发电机的研究工作,陆续成功研制出了各种新型发电机,包括水力发电机、风力发电机、太阳能发电机等。这些发电机的出现为人类社会的生产力发展提供了巨大的动力,是人类社会进步的重要标志之一。
构造组成
发电机通常主要由五大部分组成,主要部件有发电机转子、发电机定子、端盖和轴承、整流器以及氢气冷却系统。

发电机转子
发电机转子是由转子铁心、绕组、护环、中心环、集电环及转轴等件组成的。当转子高速旋转时,通入绕组中的直流电流会形成一个电磁铁,其中包含有S极和N极,从而在周围空间中产生强大的磁场。转子也被称为高速旋转的电磁铁。这种磁场的形成与传统电磁铁基本相同,只是它运行在发电机中,并产生能量。

发电机定子
发电机的定子是由铁心、线包绕组、机座和固定结构件等组成的。定子在发电过程中不会动,只是静止地等待转子旋转。转子在高速旋转时,通过绕组中通入的直流电流产生一个强大的磁场,从而让定子内的绕组也产生感应电势。

端盖和轴承
发电机端盖的主要功能是保护定子端部绕组,并起到密封作用。为了方便安装和检修,端盖通常分为两个部分,并在上方设有检查人孔。端盖还具备防爆和密封的功能。
发电机轴承采用球面座自定位轴承,其具有可更换的带巴氏合金内衬的轴瓦。后端的轴承安装在端盖内,而前端则安装在轴承座内,可以在不需要排放氢气的情况下对发电机后端轴承进行检查。
定子与转子通过轴承和端盖连接在一起来实现发电机的组装。当转子运行时,它与定子间的切割磁力线的运动就能够产生电流。这些电流可以通过接线端子传输出来,以供使用或储存。


整流器
整流器的主要功能是将由三相定子绕组产生的交流电转换成直流电,还可以防止蓄电池的电流流向发电机,保持系统的稳定性。

氢气冷却系统
发电机在运行过程中,由于绕组中不断流过的电流、铁心中存在有损耗和摩擦带来的热量等因素,必然会导致温度的升高。所以需要通过外部提供冷却物质来对发电机进行冷却,以保证其正常运行。这些冷却物质通过发电机绕组和铁心等部位循环,有效地吸收和散发掉了热量,确保了电机运转温度在安全范围内。
工作原理
发电机的基本原理是利用电磁感应定律,通过一定的导磁和导电材料构成一个互相影响的磁路和电路,在这个过程中产生电能,并将其转化为其他形式的能量。
电磁感应定律
1831年,英国科学家法拉第(M.Faraday)在实验中发现时变的磁场会产生电场。当一个由导线构成的闭合回路

交流发电机工作原理
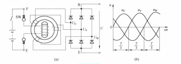
发电原理:交流发电机的工作原理是基于电磁感应原理的。以三相交流发电机为例,当点火开关连接后,磁场绕组中开始流动电流,产生了轴向磁通,并且驱动两个爪型磁极磁化。这样就产生了6对相间排列的磁极。磁力线通过旋转子和定子之间的气隙,进入定子铁芯,形成了一个完整的闭合磁路。

整流原理:通过利用二极管的单向导电特性,可以将交流电信号转换为直流电信号。在交流发电机中,通过六个二极管的组合形成了一个三相桥式整流电路,将交流电信号转换为直流电信号。正极连接三相绕组的起始

直流发电机工作原理
在直流发电机内部,导体会在磁场中旋转,由此产生感应电流,通过换向器的作用,导体上的电流总是从正极流出、负极流入,然后会通过电器设备进行使用。
分类
按发电机结构分类
发电机按结构可分为直流发电机和交流发电机两大类。
交流发电机
交流发电机(alternating-current generator)是产生交流电流的设备。其线圈两端各接一个铜制圆环(滑环)即电刷。交流发电机具有许多优点,例如发电能力强、体积小、重量轻、使用寿命长、低速输出电流大和极限转速高。其中重量轻、发电功率大和低速输出电流大是其最突出的特点,也是它被广泛应用的主要原因。

交流发电机分为同步发电机和异步发电机两种。
同步发电机
同步发电机(synchronous generator)有多种类型,包括隐极式和凸极式等。隐极式同步发电机适用于高转速环境,常用于汽轮电机,其气隙磁场强度分布是通过转子绕组在圆周上的同心分布而形成的正弦波;而凸极式同步发电机适用于水轮发电机等高转速环境,其磁极气隙强度正弦波分布则通过极靴形状得到。

异步发电机
异步发电机(asynchronous generator)可以指双馈异步发电机等多种类型,主要应用于风力发电系统中。在负载运行下,通过调整转差率,将转子侧所加电压的幅值相位大小保持在给定范围内,从而实现定子电流与电网同步,并能够控制发电机输出的有功功率和无功功率。

直流发电机
直流发电机(direct-current generator)是将机械能转换为直流电流。它是一种专用的电源设备,其线圈两端有两个彼此绝缘的铜制半环构成的换向器。可用于制造所需的直流电,包括电解、电镀、电冶炼、充电等操作。它还可以用作交流发电机的电励磁设备以及提供转速或位置检测信号的检测。直流发电机具有容量较小,电压较高以及转速越高,发电性能越好的特点。

按产生方式分类
发电机按产生电的方式上可分为汽轮发电机、水轮发电机、柴油发电机、汽油发电机等。
汽轮发电机
汽轮发电机(steam turbine generator )是一种利用蒸汽驱动的发电设备。它通过将锅炉中产生的高温高压蒸汽输入到汽轮机中,使叶轮旋转,带动发电机发电。废气经过凝汽器、循环水泵等流程后回到锅炉中再次使用。这种发电机常用于火力发电厂中,由汽轮机和励磁器组成的设备。

汽轮发电机具有以下特点:
定子线圈和转子线圈的温度较低,具有长寿命和高超载承受能力。
不含易燃气体,无需进行净化或气检漏等工作,省时省力。
端部压圈等结构件在工作过程中的温度会升高,需要采取相应措施进行电磁屏蔽并加强冷却。
制造工艺较为简单,与空冷电机类似。
水轮发电机
水轮发电机(hydraulic generator)能够有效地将水流能量转换为旋转机械能量,驱动同步发电机产生电能。通常情况下,水轮机和发电机相连,构成水轮发电机。该设备通常为立式低转速型,极数较多,每极每相槽数较少。为了提高电压波形,定子常采用分数槽绕组,而转子通常制成显极式。

水轮发电机具有以下特点:
水轮发电机的转动部分一般采用竖直立式的水轮机驱动。水轮机的转速较低,每分钟只有几十到几百转,所以同轴连接的发电机转速也较低,使发电机的极数增加,直径增大,轴向长度相对较短,整个转子形成扁盘形轮发机有较大区别。
水轮发电转动部分需要依靠推力轴承支撑承受重量和水压力,根据推力轴承的不同位置和设计方式,可以分为悬吊式和伞式两种类型。悬吊式通常用于高速水轮发电机,而伞式则适用于低速的水轮发电机。
在小型水电站中,同步发电机和异步发电机是最常用的两种水轮发电机。同步发电机具有较好的特性和效率,在中小型水电站中占据主导地位;而异步发电机则通常仅在微型水电站中使用。
冲击式水轮机一般要求水轮发电机采用横放的设计,并采用同步发电机或电动机,以满足不同功率等级的发电需求。
柴油发电机
柴油发电机(diesel generator)是由柴油机和发电机组成,是以柴油机为原动力拖动同步发电机组发电的一种电源设备。柴油发电机主要用于应备用电源。在电网不足或者电力不可靠的农村、小城镇及边远地区,柴油机发电机组可以被广泛应用于照明、广播电视、电影放、医疗卫生、教学、农副产品加工机械、排灌机械以及乡镇企业生产等领域。

柴油发电机具有以下特点:
提供多种单机容量选择:柴油发电机的单机容量等级从几千万到几万千瓦不等,提供了丰富的用电负荷选择,适应各种需求。
紧凑的配套实施结构:相比其他发电设备,柴油发电机的配套设备简单,体积小、重量轻,占用面积少,成本投入较低。
节能性好,燃油消耗低:柴油发电机的柴油机热效率高达40%左右,同时燃油消耗低,具有有效节能和降成本的特点。
启动速度快:柴油发电机能够在几秒钟内迅速启动并实现全负载,紧急状态下则可在1分钟内实现全负载,停机时间短,一般能够在30秒内实现停止。
维修及操作简单:柴油发电机的操作简洁,通常只需一人操纵。维修和保养时只需按照使用说明书上的规范进行即可,操作人员学习培训时间较短。
汽油发电机
汽油发电机(gasoline generator)是一种由汽油机与发电机组成的发电装置。在缺电或供电不足的情况下,它可以作为应急供电的重要工具。通常被用于驱动小型电器、野外操作机器、以及运输车辆等场合提供紧急用电。

汽油发电机具有以下特点:
能源高效:效机采用高速汽油机和永磁式同步发电机,使同功率输出的整机质量减轻20%以上,具有出色的能源利用效率。
精致小巧:发电机结构设计紧凑,占地面积小、体积小巧。采用直接安装方式,将永磁同步发电机的定转子直接安装在汽油机上,省略了电机的外壳和前后端盖及轴承。逆变控制器与整流桥同样紧凑安装在一块控制板上。
专业电路:发电机的定子绕组采用特殊性的排列方式,除可输出两组三相交流电外,还可另安排两组绕组输出单相交流。经过整流处理之后,发电机可输出大功率的直流电,满足用户的多种需求。
减少损耗:发电机的转子采用径向排列聚磁结构,避免了普通交流发电机采用的电刷、滑环结构。这有效减少了火花和接触损耗,提高了发电机的使用寿命。
配套设备
发电机、发动机、励磁调节装置和配电盘共同组成发电机组。
发动机
发动机是一种转换能量的设备,它将某种形式的能量化为机械能,作为发电设备的驱动力。其功能需要满足调速性、机动性和适应环境变化的特点。对于发电机组,发动机需要具有重量轻、功率高等特点。

励磁调节装置
励磁调节装置是发电机励磁系统的重要组成部分。它通过反馈控制调整发电机输出电压、电流、功率因数、功角和角频率等参数,以实现对励磁输出变量(如机端电压或无功功率)的调节。通常发电机的励磁调节装置被安装在配电盘内或发电机附近,以适应不同的线路结构和需求。

配电盘
配电盘也称为分电盘,是移动电站的重要组成部分,用于向用电设备输送和分配电能,并能让操作人员及时了解发电机组的运行状态。配电盘上装有各种电器元件、开关、指示灯、插座、熔断器、电压调节器、断电器、照明灯和其他配件,同时还包括燃油箱、蓄电池、工具箱和电缆等,这些都是发电机组的必要部分。

性能指标
交流发电机的性能指标
额定电压
交流发电机的电压会通过电压调节器进行控制,保持相对稳定。只有在起动阶段稍有变化,当发动机达到恒定转速时,发电机的输出电压应该能够稳定在一个特定的数值上,这个数值被称为发电机的额定电压。12V系统的发电机,其额定电压为14V;24V系统的发电机,其额定电压为28V左右。
空载转速
交流发电机没有接上电子负载时,它可以在达到额定电压的情况下开始转动,并且它的初始转速被称为空载转速。空载转速是在发电机生产时通过测试并在说明书中列出的。例如汽车设计时,选择发动机和发电机之间的速度比是根据发电机的空载转速来确定的,它也是用来评价发电机性能是否下降的一个重要指标。
额定电流和额定转速
发电机对外输出电流的能力受到多种因素的制约,比如结构和转速等。为了评估发电机的电流输出能力,通常会将其输出最大电流的2/3作为额定电流。而且也需要确定发电机达到额定电流时所对应的转速,这个转速会被定义为额定转速。在出厂前,发电机会经过试验来确定其额定转速和额定电流,并将这些参数记录在产品说明书中。所以发电机的额定转速和额定电流可以作为评估其性能的重要指标。
直流发电机的性能指标
项目 | 含义 | 说明 |
线性误差 
|
输出斜率 | 在额定的励磁条件下,单位转速(1000r/min)时所产生的输出电压 | |
最大线性 工作转速 
|
纹波系数 
产品代号:由字母表示,共有JF、JFZ、JFB、JFW四种类型,JF表示普通交流发电机,JFZ表示整体式交流发电机,JFB表示带泵交流发电机,JFW表示无刷交流发电机。 电压等级代号:交流发电机的电压等级代号用1位阿拉伯数字表示。 电压等级代号电压等级代号 | 1 | 2 | 3 | 4 | 5 | 6 | 电流范围/V | 12 | 24 | —— | —— | —— | 6 | 参考资料: |
电流等级代号:交流发电机的电流等级代号用1位阿拉伯数字表示。 电流等级代号电流等级代号 | 1 | 2 | 3 | 4 | 5 | 6 | 7 | 8 | 9 | 电流范围/A | —19 | 20—29 | 30—39 | 40—49 | 50—59 | 60—69 | 70—79 | 80—89 | 大于等于90 | 参考文献: |
设计序号:按照产品设计的先后顺序排列,由1到2位阿拉伯数字组成。 变型代号:变形代码用字母表示,交流发电机以调整臂位置作为变形代号,从驱动端看,Y表示右边,Z表示左边,没有字母则表示在中间位置。 例如: 汽车使用的JFZ1913Z型交流发电机表示采用12V的电压等级,具有大于90A的电流等级,第13次设计,调整臂位于左侧的整体式交流发电机。 型号为JF152的发电机表示电压等级为12V,电流等级为50~59A,第2次设计普通型交流发电机。 其他国家和地区的标准规范日本的标准规范 J 8528-8( H16)标准测试项目 | J 8528-8( H16)标准要求 | 机械强度 | 发电装置在经过规定的试验之后,不得有损害机械安全性或电气安全性的损伤 保护装置:把手(柄)控制杆、旋钮或其他莞似的东西以及上面的信号灯和盖子都需施加冲击,但是,实出灯泡或盖子等外壳10mm 以下其表面积在4 mm?以下部分应予以去除机器内通常使用时担心会受损的灯和它的盖子,需做冲击试验 | 机械安全性 | 如果有可以通过制动器 模子 螺等固定机器的某种手段,并且说明书中有记载同定方法的内容,则不受此局限 | 防火措施 | 对合成树脂外壳是否防火性按照IEC 60335-11991的30.1和30.2进行试验 30.1 耐热:恒温箱的温度为40摄氏度(误差2摄氏度),加上温升值,但温度不低于75摄氏度(误差2摄氏度) 30. 2 灼热丝试验 | 电气设备 | 如果没有标明在雨中使用的不低于 IPX1 | 过载 | 温升必须符合 IEC 60335-1的温度限值 | 启动和运行条件 | 启动和运行的温度范围:-5—40摄氏度 | 电压允许偏差的确定 | 稳态电压信差容许偏差15% | 无线电干扰抑制 | 无 | 铭牌 | 相数;额定电压;额定电流;输出功率(KW或KVA);额定频率;输出电流为直流电流时须标明;燃料的种类 | 参考资料: |
欧洲的标准规范 2016年12月31日,欧洲标准委员会(CEN)正式发布发电机的最新版欧盟通用安全标准《EN ISO 8528-13:2016》。此标准适用于由往复式内燃机引擎驱动的交流发电机,并规定与该标准不符的欧盟成员国国家标准必须在2017年6月30日前废止。ISO 8528-13:2016是基于之前的版本进行修订的。 新版标准增加了对手柄、控制件拉力、最大功率、雨淋后耐压、铭牌、警告标志的要求。 应用领域生活发电风力发电机 风力发电机是一种利用自然能源的动力机械,通过使用扇叶将风能转换为机械能,再进一转化为电能。这种发电方式不依赖于任何化石燃料,也不会产生污染或辐射问题。其运行过程中以太阳为能源,以大气为工作介质。 
火力发电厂 火力发电机是一种利用燃烧加热水蒸气推动涡轮机、将化学能转化为电能的装置。它通过高温蒸汽推动汽轮机旋转,带动电枢进行运转,电枢上的导线切割磁力线,产生感应电动势,从而产生电能。 
水力发电站 水力发电机是利用水的势能使涡轮机旋转,进而产生机械能并转化为电能的设备。相比于热力发电设备而言,它不需要升温降温,因此操作较为只需开启或关闭水闸即可实现起动和停车操作。此外,针对不同地区的用电需求,也可以采用其他配合方式。 
消费产品汽车 汽车发电机是汽车必备的电器设备,它能够利用发动机运转时产生的能量为起动机以及其他的用向蓄电池充电来保证电力的持续供应。发电机的工作原理就是利用发动机运转时的动力来产生电能,由于车辆上的蓄电池以及使用的电器设备标称电压不同,发电机的输出电压需要稍微高一些。现代汽车都采用12V的发电机来提供电力。 
手电简 按压式自发电手电简采用按压式设计,可自己发电,不需要污染环境的电池。它内置了小型发电机,通过前后按压往复运动来产生动力,从而供电。在制造商的努力和人机工程学的顾虑下,这个具有枪形设计的手电非常易于操作和把握。这种环保设计代表了绿色生态理念的典范,可以避免废弃电池对环境造成的污染。 
发展趋势发电机控制技术发电机控制技术在发电机组的运行中起着关键作用,并能够提高整个发电机组的运行效率、稳定性和可靠性。它能够帮助减少发电机组在运行期间的故障风险,并将发电机的输出功率最大化,从而提高发电量。但是发电机控制技术所涉及的领域很广,包括计算机技术、网络技术和机电技术等,需要集合多种技术的优点来进行优化创新,以提高风力发电的效率。 发电机冷却技术发电机冷却技术在发电系统中扮演着重要角色,由于发电机的工作温度较高并且散热面积相对狭窄,需要冷却以提高其工作效率。蒸发冷技术和高温超导技术是应用较为广泛的两种技。蒸发冷技术能够有效减少电机铜耗,避免影响其正常工作;而高温超导技术则得到了广泛的关注和开发较强的市场竞争力和良好的发展前景。 通过采用创新的冷却技术方法,能够进一步提高整个发电系统的效率和稳定性,实现更大程度获。 发电机的结构型式发电机的结构需要优化和改善,应该对其进行一系列的改动和升级。主要包括增加通气直径来提高冷却效果,采用轻量化的装置材料来减少整个发电机的质量,同时在设计过程中也应考虑如何降低材料损耗量。还需要合理地设置铁心定子比例来降低噪音和振动,并以材料学为指导,在优化材料的同时减少永磁材料的使用量,以降低发电机的生产成本。 注释展开[a]感应电流具有这样的方向,即感应电流的磁场总要阻碍引起感应电流的磁通量的变化。
最新百科词条
第六届大沙河龙舟邀请赛,是2024年6月10日在广东深圳南山区大沙河长廊举办的龙舟赛事。
2024长沙市龙舟邀请赛是2024年6月8日至6月10日在长沙市千龙湖生态旅游度假区举办的龙舟赛事。
《地牢猎人6》是一款由GOAT Games开发的大型魔幻风格的地下城冒险角色扮演类游戏,由成都盈众九州网络科技有限公司出版,海南高图网络科技有限公司运营。
新亚洲娱乐(英文名:ASIA ENTERTAINMENT GROUP LIMITED,全称:新亚洲娱乐联盟集团有限公司)是一家以从事戏剧制作人及杂项戏剧服务为主的企业,成立于1999年,位于香港特别行政区。旗下分公司包括虎威艺能创作有限公司(TGS HK)、稻草人娱乐创作社(Scarecrow Entertainment)、虎威王朝音乐创作股份有限公司(TGS Music)、虎威活力娱乐传播有限公司(TGS Taiwan)、AK Entertainment(Korea)以及AEG Korea等。
印度孟买SENSEX30指数(又称孟买敏感指数)为印度最被广泛使用的指数,为投资印度的重要参考指标,是由孟买证券交易所发行。由于各类媒体提到的“印度股市”,实际上都是孟买股票交易所,因此,该交易所的SENSEX-30指数几乎成了印度股市的代名词。
国家宝藏(启蒙奠基)金银纪念币,是定于2024年6月8日由中国人民银行发行的纪念币。
免责声明:新农商网所有文字、图片等资料均来自互联网,不代表本站赞同其观点,内容仅代表作者本人意见,若因此产生任何纠纷作者本人负责,本站亦不为其版权负责! 如有问题,请联系我们
CopyRight©2024 www.xncsb.cn All Right Reserved 豫ICP备17046739号-8
联系我们
|