USB(Universal Serial Bus)中文名称为通用串行总线,是一种快速同步传输的双向串行接口标准,用于规范电脑、移动设备等与外部设备的连接和通讯。USB在手机、电脑、鼠标、键盘、摄影器材、电视机、游戏机、扫描仪、充电器、磁盘等设备中得到广泛应用,并支持各种操作系统(windows、MAC、Linux等)。
本页面主要目录有关于USB的:发展历程、衍生内容、运作方式、传输与供能、USB总线特点、优点、接口、应用领域等介绍
USB(Universal Serial Bus)中文名称为通用串行总线,是一种快速同步传输的双向串行接口标准,用于规范电脑、移动设备等与外部设备的连接和通讯。USB在手机、电脑、鼠标、键盘、摄影器材、电视机、游戏机、扫描仪、充电器、磁盘等设备中得到广泛应用,并支持各种操作系统(windows、MAC、Linux等)。
本页面主要目录有关于USB的:发展历程、衍生内容、运作方式、传输与供能、USB总线特点、优点、接口、应用领域等介绍
通用串行总线
Universal Serial Bus
数据传输
1996年
1994年,以Intel为首的七家公司(Intel、Compaq、Microsoft、IBM、Northern Telecom、NEC)为主联合研发和制定了USB传输协议的第一个草案。1995年,USB-IF(USB Implementers Forum,即USB执行者论坛)成立。1996年,USB1.0标准问世,USB标准开始用于供电和数据传输。1998年,USB1.1规范发布,至此之后USB标准开始在市场上流行。
截至2023年,USB标准版本历经4代大版本发展,最新标准已经制定至USB4,传输速度已经从最初的1.5兆比特每秒(Mbps)提升到今天的40吉比特每秒(Gbps),输送的功率最高可达100W,有动态的带宽资源分配能力。全世界有约数十亿台个人电脑都在使用USB,由于USB使用便捷、速度快、可扩展性强的特性,USB已经成为许多消费者的设备连接首选。
在USB诞生之前,外部设备连接到计算机时面临着多种问题:数据线种类繁多,很多设备使用专用的数据线;很多设备不支持即插即用,需要安装扩展卡、设置跳线以及安装软件驱动;外围设备不能热插拔,需要在安装软件后重启系统重新分配系统资源(如I/O地址空间、IRQ中断请求、DMA通道);成本昂贵,标准外围设备连接器和相关数据线的成本高昂。
为了解决这些问题,1994年,以Intel为首的七家公司(Intel、Compaq、Microsoft、IBM、Northern Telecom、NEC)为主联合研发和制定了USB传输协议的第一个草案,并于1995年成立USB-IF这一非营利性组织。

1996年,USB1.0标准问世,理论速率为1.5Mbit/s,键盘、鼠标、智能手机以及打印机等等大多使用USB标准来实现供电和数据传输。同年,USB-IF发布了USB低速缓冲器设计指南,传授用户深入使用USB的方法。1997年,USB-IF发布了关于USB-APM交互的白皮书,使APM和USB可以协同工作。
作为USB的标准化组织,USB-IF于1998年发布了USB1.1规范,不同于未在市场上广泛使用的USB 1.0,USB1.1标准发布之后,USB开始逐渐占据主流市场。在USB1.1规范中,提到了USB1.1的各种特性:高速传输速率12Mbit/s,低速传输速率1.5Mbit/s,支持热插拔、同步和异步传输并内置电源/低压配电装置,线缆最长5m,最多支持127台设备。USB的抗干扰能力大大增强。
2000年,USB2.0规范出台,完全向后兼容之前的USB版本,传输速率达到480Mbit/s,是半双工数据传输模式。从用户的角度来看, 与USB1.1相比,USB 2.0的带宽要高得多。系统制造商能够以最经济的方式使用USB 2.0来连接高性能外部设备,对整体系统成本几乎没有影响。USB2.0的特性注定它会取代USB 1.1。同年,USB-IF发布USB驱动器接口规范。10月,USB MINI接口面市。2001年,USB OTG功能发布,使特定外部设备在没有电脑的情况下可以互相通讯。

2003年,USB对Type-B接口进行改进,将形状改为圆形倒角,使接口更加坚固。6月,USB-IF重新命名了USB的规格和标准,把USB 1.0改名为USB 2.0低速(Low-Speed)版,USB 1.1改名为USB 2.0全速(Full-Speed)版,而USB 2.0则改为USB 2.0高速(High-Speed)版。

2007年,USB进入对协议版本和接口不断更新迭代的时期。USB推出了Micro-USB接口,增加了接口的稳定性。USB充电规格(USB BC)也在同年推出。

2008年,为了满足用户越来越多的储存需求量,Intel、Microsoft、HP、Texas Instruments、NEC、ST-NXP等公司组成USB 3.0 Promoter Group完成了USB 3.0(SuperSpeed USB)标准的发布,传输速率达到5.0Gbit/s,最大输出电流900mA,兼容USB2.0并支持全双工数据传输。
2009年,USB-IF继续发布新产品,研发新服务内容。USB-IF发布了USB BC1.1,将USB的充电能力提升到5V、1.8A,2010年则上调至5V、5A。
2012年7月,USB发布了PD快充协议1.0版本。2013年,USB对断开高速芯片的方法进行规范。USB 3.1(USB SuperSpeed Gen2)标准也开始发布,传输速率达到10Gbit/s,供电标准提高至20V/5A的100W。
2014年,USB推出新的Type C接口,支持正反插,最高能输送20V、5A的电流,通过该接口和8月推出的PD快充协议2.0版本,它的供电能力达到100W。随后,USB-IF对协议名称进行更改,将USB 3.0改名为USB 3.1Gen1 SuperSpeed,USB 3.1改名为USB 3.1Gen2 SuperSpeed。但该命名方案在后续的产品更新中又遭到弃用,并推出新的命名方案。

2015年11月,PD快充协议3.0发布,在充电规格上没有发生变化。2017年,USB 3.2标准发布,在USB Type-C下支持双10Gbit/s通道,速率达20Gbit/s。
2019年3月,Intel为USB-IF组织提供了雷电3协议技术。随后,USB Promoter Group发布基于雷电3协议开发的USB4协议,最大传输率达到40Gbit/s,具备动态带宽资源分配能力并支持USB Power Delivery快充协议。同年,USB-IF又对协议进行改名,将USB3.1 Gen 1(也就是原来的USB3.0)改名为USB 3.2 Gen 1,USB 3.1 Gen 2(即原来的USB3.1)改名为USB 3.2 Gen 2,而USB 3.2则被改名为USB 3.2 Gen 2x2。
2021年5月,USB推出PD快充协议3.1版本,最高支持240W,增加了三种可调节电压档位快充。
2022年,USB Promoter Group宣布推出USB4 2.0,通过USB Type-C接口的传输速率到达80Gbit/s。USB4可以使用最高的USB带宽,并扩展USB Type-C接口性能。USB4建立在现有USB3.2和2.0架构的基础上,对产品协议进行规范补充。USB4支持动态地共享一个具有多个终端设备类型的单一高速链接,进行数据传输,规范提供了主机为显示数据流分配最佳尺度的能力,并与USB3.2、USB2.0向下兼容。
2022年10月,USB-IF带来了全新的命名体系,USB接口将统一以传输带宽为市场代号,如USB4 v2.0对应USB 80Gbps,USB4对应USB 40Gbps。
USB主要协议发布时间 | USB协议版本 | 协议特性 | ||
官方版本名称 | 市场代号 | 原名 | ||
1996年 | USB 2.0 Low Speed | Low Speed | USB 1.0 | 理论速率为1.5Mbit/s |
1998年 | USB 2.0 Full Speed
| Full Speed | USB1.1 | 高速传输速率12Mbit/s,低速传输速率1.5Mbit/s,支持热插拔、同步和异步传输并内置电源/低压配电装置,线缆最长5m,最多支持127台设备,增强了USB的抗干扰能力 |
2000年 | USB 2.0 High Speed
| High Speed | USB 2.0 | 高速传输速率为480Mbit/s |
2008年 | USB 3.2 Gen1 SuperSpeed
| USB 5Gbps | USB 3.0 | 传输速率达到5.0Gbit/s,最大输出电流900mA,兼容USB2.0并支持全双工数据传输 |
2013年 | USB 3.2 Gen2 SuperSpeed
| USB 10Gbps | USB 3.1 | 传输速率达到10Gbit/s,供电标准提高至20V/5A的100W |
2019年 | USB4
| USB 40Gbps | USB4 | 最大传输率达到40Gbit/s,具备动态带宽资源分配能力并支持USB Power Delivery快充协议 |
2022年 | USB4 2.0
| USB 80Gbps | USB4 2.0 | 传输速率到达80Gbit/s,并扩展USB Type-C接口性能 |
MA-USB:MA-USB(Media Agnostic)即无媒介限制 USB,是USB-IF启用的新标准,允许无线设备和扩充口在USB协议下通信而不需要进行物理连接。MA-USB符合USB 3.1 、USB 3.0 和USB 2.0 规范,可利用USB基础设施实现千兆级的无线传输速率。
InterChip USB:InterChip USB是芯片间USB (简称IC-USB、USB-IC或HSIC )。它是 USB实施者论坛的 USB 2.0 规范的附录,USB-IF在后续还推出了超高速芯片间USB( SSIC )。USB 2.0高速芯片间USB(HSIC)使芯片与芯片之间能够互联,针对功耗、成本和复杂性优化了链路,消除了普通USB中的传统模拟收发器,能够起到降低物理层功耗的作用。
USB-C:USB Type-C是USB-IF于2014年推出新接口类型,支持正反插,最高能输送20V、5A的电流,通过该接口和8月推出的PD快充协议2.0版本,它的供电能力达到100W,已经逐渐成为市场上新的主流音视频接口。
USB Billboard:USB Billboard是USB Type-C规范内容中的一部分。USB Type-C的连接模式中有一种PD充电等所运用到的替代模式(Alternate Mode),当设备进入替代模式失败,则会把装置识别成USB Billboard Device来警示使用者。
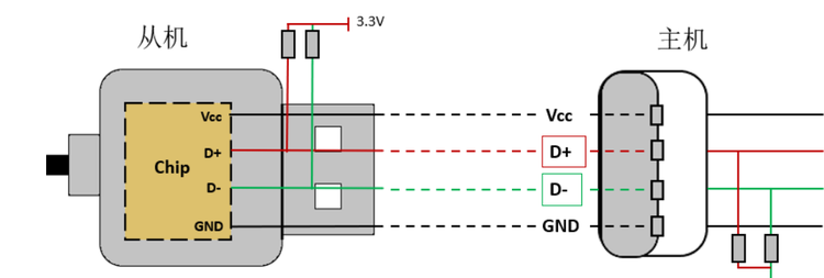
当USB设备接入主机后,开始识别USB设备(也称为从机),从机接入/拔出的过程叫做USB插拔。一般的USB接口包括四根线,分别为Vcc、D+、D-、GND。从机接入主机后,主机通过D+、D-线路上电压、电阻的变化来检测从机是否接入。随后,主机开始识别从机的类型,判断其是鼠标、键盘还是其他类型。从机的描述符集合可以帮助主机识别,描述符集合包括了从机的设备描述符、配置描述符、接口描述符、端点描述符等信息。主机访问描述符集合的过程叫做枚举,该过程结束后,主机即可使用从机的功能。

从机将以等待主机轮询的方式来发送数据,部分设备会在描述符集合中加入关于轮询时间的说明。当主机需要给从机发送数据时,从机则需要尽快接收。主机会给每个接入的从机分配设备地址,通过设备地址来访问从机。通过从机的设备端点,主机则可以访问从机的某个特定功能。在从机的端点描述符集合中声明属性,主机根据属性创建不同的数据通道,运用不同的方式来读写数据。
主机与从机之间一次完整的通信包括两个或三个过程,分别包括请求过程(令牌包)、数据过程(数据包)和状态过程(握手包)。主机发送令牌包开启请求过程,当请求过程中有数据传输的需求,则开启数据过程,最后由数据接收方开启状态过程,结束通信。当没有数据传输需求时,则没有数据过程,由从机开启状态过程,结束通信。
传输速率
USB4和USB 3.2规范共同确定了五种传输速率:80 Gbps、40Gbps、 20Gbps、 10Gbps和5Gbps。 供应商必须在产品包装、广告内容和任何其他营销材料中清楚地传达产品的性能信号。
为避免消费者混淆,USB-IF 为消费者推荐的术语如下:
名称与传输速率对照表市场名称 | 产品能力 |
USB 80Gbps(USB4 v2.0) | 80Gbps的产品信号 |
USB 40Gbps(USB4) | 40Gbps的产品信号 |
USB 20Gbps(USB3.2) | 20Gbps的产品信号 |
USB 10Gbps(USB3.2) | 10Gbps的产品信号 |
USB 5Gbps(USB3.2) | 5Gbps的产品信号 |
传输方式
USB传输支持4种数据类型:控制信号流、块数据流、中断数据流和实时数据流,对应的有四种传输方式:控制传输方式、批量传输(块传输)方式、中断传输方式、等时传输(同步传输)方式。控制传输、批量传输、中断传输在数据传输错误时,都会试图重发。
以下是对四种传输方式的详细介绍:
控制传输
USB控制传输(ControI Transfer)是USB最基本的一种数据传输方式,可以用于低速、全速、高速和超速USB设备。该方式支持双向传输,用来处理主机的USB设备控制命令、设备状态查询及确认命令,如USB设备第一次被主机检测时的配置、设定。USB控制传输适合于传输少量的数据,严格要求传输的正确性,对传输时间、传输速率和实时性均无要求。一般来说,USB设备必须支持USB控制传输方式。USB通电时,任何USB设备都必须在端点0的默认管道中支持控制传输。
批量传输(块传输)
USB批量传输(BuIk Transfer)是USB接口协议中最重要的一种数据传输方式,可以用于全速、高速和超速USB设备。可以进行单向或双向传输,用来传输要求正确无误的数据。该传输方式适用于传输大量的数据,要求传输的正确性,但对传输时间、传输速率和实时性均无要求。一般来说,该方式常应用于数据采集卡、USB打印机、USB扫描仪等设备。这些设备对数据传输的正确性要求较高,但对传输速率并没有非常严格的要求。
中断传输
USB的中断传输(Interrupt Transfer)可用于低速、全速、高速和超速设备。USB中断传输支持单向传输,适用于传输少量或者中量的数据,要求具有固定的事务处理周期。一般来说,USB 中断传输常应用于USB鼠标、USB键盘等HID人机交互设备中,这些设备有响应快的需求,对数据的需求比较低。
同步传输
USB同步传输(Isochronous Transfer)可用于全速、高速和超速USB设备。支持单向或双向传输,传输连续、实时的数据。USB同步传输适合于传输大量的、速率恒定的且对服务周期有要求的数据,但对正确性没有十分严格的要求。一般来说,USB 同步传输常应用于音频和视频类设备,如MP3、VCD和DVD等音视频播放设备,实时性要求比较高,数据必须及时发送和接收。
传输要素
USB系统中信息传输的基本单元是包(Packet),USB总线上每一次交换至少需要3个包:主机发出标志(令牌)包开始,确定设备地址、端点、传输方向和传输类型等,其次是数据包发送数据或指示信息,最后是一个握手包提供 数据接收的反馈,如果有误需要重发。
USB包类型类型 | PID名称 | Pid3~Pid0 | 描述 |
Token (令牌包) | OUT | 0001 | 主机到设备传输的地址+端点号 |
IN | 1001 | 设备到主机的地址+端点号 | |
SOF | 0101 | 帧开始标志与帧编号 | |
Setup | 1101 | 配置控制端点在主机到设备的地址+端点号 | |
Data (数据包) | DATA0 | 0011 | 在偶数同步位的数据包 |
DATA1 | 1011 | 在奇数同步位的数据包 | |
DATA2 | 0111 | 高带宽同步传输,数据包高速PID | |
MDATA | 1111 | 分流传输与高带宽同步传输,数据包高速PID | |
Handshake (握手包) | ACK | 0010 | 接收器接收数据正确 |
NAK | 1010 | 接收设备无法接收或发送设备无法发送 | |
STALL | 1110 | 端点挂起或一个控制管道不被支持 | |
NYET | 0110 | 接受设备未响应 | |
Special (特殊包) | PRE | 1100 | 主机低速率方式下与低速率设备通信时发送预告 |
域 | 位数 | 作用 |
标识域(PID) | 8位(4位标识符+4位反码) | 表明包的类型和格式,如令牌、数据、握手等 |
地址域(ADDR) | 7位 | 代表设备在主机上的地址,地址数是USB只能链接127个设备的原因(除去零地址) |
端点域(ENDP) | 4位 | 一个USB设备最大端点数为16个 |
帧号域(Frame Number) | 11位 | 用于同步传输标识帧号 |
数据域(DATA) | 0~1023字节 | 传输的数据,必须为整数个字节的长度 |
校验域(CRC) | / | 令牌包或数据包中非PID域的校验 |
USB数据传输需要软件、驱动程序和硬件的配合。从协议处理的角度,数据编码、解码及传输是由各个程序及驱动程序来完成的,主要包括如下4个部分:USB 主机程序、USB总线驱动程序、USB主控制器驱动程序、USB功能设备程序。从硬件处理的角度,USB数据编码、解码及数据传输是由多个USB芯片来完成的,主要包括如下3类芯片:USB主控制器芯片、USB HUB芯片、USB功能设备芯片。

完整的 USB 数据传输需要通过上述程序与硬件的合理分工协作来完成,当 USB 设备连接到USB总线之后,USB设备便可以在软件及硬件的支持下实现与USB主机的高速数据通信。
USB已经从一个数据接口演变为向一个拥有数据接口的主要电源提供者提供有限的电源,即USB 供电 (USB Power Delivery,缩写为USB PD) 规范,使USB支持同一根线在传输数据外还提供供电能力。许多设备可以使用USB充电或从USB获得电源。USB支持多种电源模式:打开、挂起和关闭。USB设备可以被置于挂起模式,但仍能唤醒系统。
USB已成为许多小型设备——如手机、平板电脑、便携式扬声器和其他手持设备的无处不在的电源插座。用户不仅需要USB满足数据方面的要求,还需要简单地为其设备提供电源或充电,而不需要装载驱动器,以便实现"传统的"USB功能。
USB协议中根据USB接口供电能力的不同,分为高功率输出端口和低功率输出端口。两者的供电电压相同,其区别在于可输出的最大电流不同,而USB接口提供的电源是有限的。在设计USB外部设备的时候,需要仔细分析USB外设的最大功率需求,确保其在USB协议规定的范围内。另外,考虑到兼容性,最好使USB外设能够兼顾主机端的高功率输出端口和低功率输出端口。对于不同的USB设备,其消耗的功率不同。
在USB总线接口协议中,往往使用单位负载来表示功率需求量。从供电角度来看,典型的USB设备包括以下几种。
◆ USB根集线器:直接连接到USB主控制器上的USB集线器。
◆ USB总线供电集线器:直接使用USB接口的VBUS和GND供电的USB集线器外设。

◆ USB自供电集线器:使用外部电源的USB集线器外设。
◆ USB总线供电低功率设备:直接使用USB接口的VBUS和GND供电的USB外设,最大功率消耗为1个单位负载。
◆ USB总线供电高功率设备:直接使用USB接口的VBUS和GND供电的USB外设,最大功率消耗大于1个单位负载。
◆ USB自供电设备:使用外部电源的USB外设。
2021年,USB-IF发布了USB PD3.1版本,结合USB Type-C规范2.1的线缆的要求,供电功率从原来的100W(20V 5A)提高至240W,USB可供电设备扩展至100W以上。
USB设备和USB主机通过USB总线连接。USB的总线是主从模式,主机称为Host,从机(即设备)称为Device。主机与主机之间(不包括USB4.0)、从机与从机之间无法进行互联。在通信过程中,通信由主机发起,从机只能被动接收主机的信号和数据。随着USB的发展,在USB3.0及之后的USB协议标准,主机增加了通信对象,可以和集线器(Hub)通信。为了增加灵活性,USB又开发了USB OTG(On The Go),USB OTG支持主从切换。当同一个设备在不同场合下,可以切换为主机或从机两种身份。USB OTG线中增加的USB ID线就用于达成这个目的,当USB ID线上拉时,处于从机(设备)模式,当USB ID线接地时,则处于主机模式。
USB总线呈现出树状的拓扑结构。该结构的基础节点是USB Host控制器,连接在USB Host控制器上的是USB根集线器(Root Hub)。USB集线器(Hub)可以使一个USB接口扩展为多个USB接口,扩展出的USB接口可以继续通过USB集线器(Hub)扩展,每个USB接口都可以接入USB设备。但集线器不能扩展出更多的带宽,只能扩展出更多的USB接口。所有连接的USB设备共享USB Host控制器的带宽,当有多个USB设备需要较大带宽时,可以考虑将它们接到不同USB Host控制器上的根集线器上,以避免带宽不足。

USB 的电气特性反映了端口驱动电路、传输电平、编码结构、位同步处理及供电方式。USB使用差分信号传输数据,如图所示,GND是地线,D+和D-是一对差分线,SSTX+和SSTX-是一对差分线,SSRX+和SSRX-是一对差分线。USB2.0只有一对差分线,即D+、D-,因此USB2.0是半双工的,不能同时收发数据。USB3.2拥有两对差分线,即SSTX+和SSTX及SSRX+和SSRX,因此USB3.2是全双工的,可同时收发数据。USB3.2和USB2.0使用不同的差分线传输数据,两者互不干扰,可同时工作。USB3.2线缆中保留了USB2.0的数据传输通道,实现了对USB2.0的兼容。VBUS线使USB主机可以向设备供电,最大可输出20V/5A。

当USB的信号电平达到一定条件时,则可以发送信号。数据通过USB传输时,采用NRZI(None Return Zero Invert,即“0”翻转非归零码)编码方式。所有USB设备的电压缺省值为低电压,当设备电压需要从低转为高时,可由软件控制。USB的电气特性同样体现在供电方式上。设备进入挂起状态后,支持省电模式。USB支持2种类型的挂起方式:全部挂起,所有的 USB 设备进入挂起状态;选择挂起,仅被选择的设备进入挂起状态。
USB总线具有如下优点:
USB为所有USB外设提供了单一且易于操作的标准连接类型,使用一个端口、一个中断,减少硬件复杂性和端口占用。USB还考虑到计算机小型化的趋势,设计了小巧的USB接口。
支持热插拔(hot plug)和即插即用(Plug-and-Play)。用户可以在不重新启动计算机的情况下连接USB外部设备,并实现通信功能。
供电灵活,可以使用USB电缆供电,也可以通过电池或其他设备供电,还可以组合供电,支持挂起和唤醒的节能模式。这使USB外部设备摆脱了电源的束缚,如U盘、硬盘等就可以直接通过USB接口获得供电进行工作。
传输速率范围广,适应不同类型外设。USB总线技术采用串行输出传输方式,实现更高速率的数据吞吐量,实现更多数据的传输。
支持多种传输类型,不同外设可以根据自身需求选择不同的传输方式。
扩展性好,支持多设备,通过USB Hub扩展,可最多支持127个设备,拓展了USB主机的外部功能扩展能力。
按接口类型分类,USB硬件接口有:USB TypeA,USB TypeB,Mini USB,Micro USB以及USB Type C(Type-c)。USB Type A和B接口只是形状区别,其中Type A接口是个人电脑中应用最广泛的接口标准,Mini USB接口和Micro USB接口一般用于移动设备。USB Type C接口则拥有更加纤薄、更快的传输速率和更强的电力传输,同时由于Type C接口双面可插,使用更加便捷,有取代 Micro USB接口、统一手机和平板电脑接口之势。


USB线缆由四条线构成,用不同颜色标记,其中地线(GND)为黑色,电源线(VCC)为红色,差分输入线D+(data+)为绿色、D-(data-)为白色。
USB协议可以应用在一些支持USB功能的设备上,通常由操作系统提供设备类的驱动程序,开发人员可以直接使用。主要的应用设备有以下几种:
USB主要应用设备设备类 | 描述 | 举例 |
音频设备类 | 传输音频数据流的设备 | 音箱 |
通信设备类(CDC设备) | 远程通讯的设备 | 调制解调器 |
HID设备类(人机接口设备类) | 与人产生交互的设备 | 键盘、鼠标 |
显示设备类 | 控制显示属性的设备 | 显示器 |
摄像设备类 | 具有摄像功能的设备 | 摄像头 |
存储设备类(Mass Storage设备) | 大容量存储设备 | U盘、磁带 |
电源设备类 | 实现电源供电的设备 | 不间断电源 |
打印扫描设备类 | 具有打印接口、扫描功能的设备 | 打印机、扫描仪 |
无线设备类 | 无需使用有线连接的设备 | 无线控制器 |
集线器设备类 | 为USB提供额外连接点的设备 | 集线器 |
CDC数据类、智能卡设备类、内容安全设备类 | 用于定义可用的SubClass和Protocol值 | CDC 数据设备、智能卡设备、内容安全设备 |
以下是部分USB设备的详细介绍:
U盘(USB闪存驱动器):U盘,即USB闪存驱动器,它使用USB接口进行资料的储存与读写,是一款高容量移动存储产品,通过USB接口与电脑连接实现即插即用。U盘所占空间小,具有便于携带,能存储较多数据,数据传输速度快的优点。

USB音箱:USB音箱通过USB数据线将数字音频信号从主板上的USB口直接输进音箱,再通过音箱内置的D/A转换电路将信号处理后再输出。USB音箱主要由USB接口、USB数字处理电路、控制电路和多媒体有源音箱构成。使用USB音箱,数字信号在传输过程中不会受到干扰,因此USB音箱可以提高音质,信号具有高纯净度,但信号的转换精度对音箱的性能影响较大。

USB键盘、鼠标:传统的电脑键盘和鼠标必须在电脑开机启动前就将装置插好,若在开机后才安上装置则必须重新开机才可以让键盘和鼠标正常运行。使用USB键盘和鼠标则可以解决这个问题,并不受接口已被其他设备占用的影响。


USB扫描仪:USB扫描仪可以使数据传输能力加快,具有USB接口的扫描仪传输率可以达到12M每秒。在安装时,USB扫描仪也不用打开机箱,从速度和安装的简易性上满足了用户需求。

USB摄像头:采用USB接口的摄像头能实现图像采集和图像捕捉,所拍摄图像质量高,并便于连接,无需专用的图像捕捉卡。USB摄像头优点较多,除提高图像质量外,还支持热插拔,能够提高传输数据的速度。

USB集线器:USB集线器即USB Hub,可以用于拓展计算机USB接口。计算机所提供的多个USB接口往往是通过主板上的USB集线器芯片拓展出来的。当计算机的USB接口无法满足用户需求时,则可以使用USB集线器,通过USB集线器的接口为计算机接入更多外部设备。

APM,即高级电源管理,是一种PC平台电源管理的规范
[b]USB Promoter Group对USB标准进行开发和研制,USB-IF负责管理
新亚洲娱乐(英文名:ASIA ENTERTAINMENT GROUP LIMITED,全称:新亚洲娱乐联盟集团有限公司)是一家以从事戏剧制作人及杂项戏剧服务为主的企业,成立于1999年,位于香港特别行政区。旗下分公司包括虎威艺能创作有限公司(TGS HK)、稻草人娱乐创作社(Scarecrow Entertainment)、虎威王朝音乐创作股份有限公司(TGS Music)、虎威活力娱乐传播有限公司(TGS Taiwan)、AK Entertainment(Korea)以及AEG Korea等。
印度孟买SENSEX30指数(又称孟买敏感指数)为印度最被广泛使用的指数,为投资印度的重要参考指标,是由孟买证券交易所发行。由于各类媒体提到的“印度股市”,实际上都是孟买股票交易所,因此,该交易所的SENSEX-30指数几乎成了印度股市的代名词。







