电流互感器(current transformer,简称CT)又叫变流器,是一种在正常使用条件下其二次电流与一次电流实际成正比、且在联接方法正确时其相位差接近于零的互感器。

本页面主要目录有关于电流互感器的:历史、原理、基本结构、分类、技术参数、应用、发展趋势、标准、制造商等介绍

英文名

current transformer

别名

变流器

运用领域

电力

原理

电磁感应

功能

测量、保护等

组成部分

铁芯、线圈

应用学科

电磁学

简介

电流互感器的工作原理与变压器类似,基于电磁感应现象,使用时其一次线圈直接串接于一次电路中,匝数很少,其电流的大小完全取决于被测线路中负荷电流的大小,与二次线圈的电流大小无关,电流互感器的种类很多,按安装地点可分为户内式和户外式,按原理可分为电磁式、霍尔式和光电式,按绝缘形式,可分为干式,浇注式,油浸式等。

电流互感器最早可以追溯到19世纪英国物理学家迈克尔·法拉第 (Michael Faraday)发现的电磁感应现象,在他的实验中,他将一根导体线环绕在一个磁铁上,并将导体线的一端连接到一个电池。当电池通电时,导体中就会出现电流,而在关闭电池时,导体中会出现反向电流,这种现象的发现打开了电磁学的新纪元,也为电流互感器的发明奠定了基础。

电流互感器是一次系统与二次系统联络的主要元件,可以给继电器电流线圈与测量仪表等提供电流,正确反映电气设备的运行情况,同时还可以检查电器设备运行中产生的故障。

为了规范电流互感器的规格和应用,众多国家也将其纳入法规的管理对象,比如最新的中国的GB1208-2016,IEC的IEC60044-8-2002电流互感器等。

历史

1831年,迈克尔·法拉第 (Michael Faraday)发现了电磁感应现象,他在一个铁环上绕了两个线圈,第一个线圈通过一个电键与电池相连接,第二个线圈则与一个电流计连接,磁场会在第二个线圈内感生一个电流,由电流计指示出来,这为电流互感器的发明奠定了基础。

1865年,詹姆斯·克拉克·麦克斯韦(James Clerk Maxwell)出版了他的著作《电磁场理论》,这本书为电流互感器的发展提供了更好的理论依据。在书中,麦克斯韦提出了电磁场的理论,即电和磁相互作用产生了电场和磁场。这个理论成为了电磁学的基础,为电力系统的实际应用提供了更多的理论支持。

1885年,美国发明家和工程师乔治·夏伦伯格(George Shallenberger)发明了世界上第一台电流互感器,它在美国、英国和欧洲的电力系统中得到了广泛应用。

1954年中国第一台110KV电流互感器问世,之后中国的高压电流互感器制造技术开始迅速发展。

1986年,美国五大电气公司各自成立研究小组,研制了161kV等级的独立式光纤电流传感器。

1987年到1989年间,日本东方电气公司与东芝集团合作研制了GIS设备用的光纤电流互感器,实现了长时间良好的运行效果。

2002年按IEC新标准对互感器标准进行了修改并发布了新的标准号IEC60044-1《电流互感器》和IEC60044-2《电压互感器》。

2022年9月15日,由中国国国网安徽电力牵头研制的世界首台量子电流互感器在合肥110千伏挂网运行,标志着量子精密测量技术在电力行业的应用迈出了第一步。

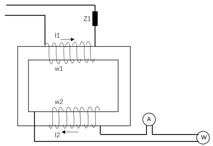
原理

电流互感器的原理接线如下图所示。

电流互感器

基本结构和变压器相似,其原边匝数很少,串接在被测量的电路中,因此一次电流完全取决于被测电路的负荷电流,其副边数较多与低阻抗的仪表或继电器的电流线困相连接。因为电流互感器副边负载阻抗很小,所以它实际上就相当于一个短路运行的变压器。

它的一、二次额定电流之比,叫变流比

电流互感器

分类

电流互感器按安装地点可分为户内式和户外式,按原理可分为电磁式、霍尔式和光电式,按绝缘形式,可分为干式,浇注式,油浸式等,详细可以参考下表。

电流互感器分类

分类依据

电流互感器类型

备注

用途

测量用

用于测量一次系统的工作电流

保护用

用于向继电保护等提供故障电流信息

绝缘材料

干式

主绝缘为空气、瓷、塑料等

合成薄膜绝缘

主绝缘为合成薄膜

浇注式

主绝缘为环氧树脂或其他树脂混合材料

油浸式

主绝缘为绝缘纸和绝缘油

气体绝缘式

主绝缘为 SF6气体或其他气体

原理

电磁式

电流变换原理

霍尔式

霍尔效应原理

光电式

光电变换原理

结构

正立式

产品下重上轻

倒立式

二次绕组在下部产品下轻上重

电流比数量

单电流比

只有一个电流比

多电流比

可实现不同电流比

使用地点

户内型

户内使用

户外型

户外使用

技术参数

额定电压

电流互感器的额定电压,是指一次绕组所接线路上的线电压。电流互感器一次绕组是串联接在线路上的,所以电流互感器额定电压并不是电流互感器一次绕组两端的电压,而是电流互感器一次绕组对二次绕组和地的绝缘电压,因而电流互感器的额定电压只是说明电流互感器的绝缘强度,而和电流互感器的容量没有任何直接的关系。

额定电流

为了生产和使用的方便,电流互感器的额定电流是规定有标准,额定电流的意思就是说,在这个电流下,绕组可以长期通电而不被烧坏。当绕组的电流超过额定电流时,叫做过负荷。长期过负荷运行,会把绕组烧坏或降低互感器的寿命。

电流互感器

一次额定电流

电力系统用电流互感器的额定一次电流标准值列于下表,单位为A。

电流互感器

二次额定负荷

电流互感器二次额定负荷,就是指电流互感器二次所接电气仪表和联结导线的总阻抗,它包括这些仪表或继电器的阻抗,以及联结导线的电阻和联结点的接触电阻等所有二次外接负载的全部阻抗。

额定电流比

额定一次电流

电流互感器

准确级

根据测量时电流互感器误差的大小,电流互感器的准确级分为0.01级、0.02级、0.05级、0.1级、0.2级、0.5级、1级、3级和5级。根据电流互感器国家标准,和测量用电流互感器检定规程的规定,各级电流互感器允许的比值差和相位差如上表所示。

励磁电流

当一次电流通过互感器的一次绕组时,必须消耗一小部分电流来励磁,励磁就是使铁心有磁性,这样二次绕组才能产生感应电势,也才能有二次电流。用来励磁的电流。就叫做励磁电流,一般用

电流互感器

表示。励磁电流与一次绕组匝数的乘积
电流互感器
,叫做励磁安匝,也叫做励磁磁动势。

热稳定电流和动稳定电流

为了满足电流互感器对精度和稳定性的要求,电流互感器通常需要调整其设计参数,以满足系统的要求。其中,两种重要的设计参数是动稳定电流和热稳定电流。

动稳定电流表示电流通过电流互感器时,其误差随时间的变化情况。动稳定电流越小,表示电流互感器的测量误差越小,稳定性越高。通常,大型电力系统中对电流互感器的动稳定电流限制比较严格,在0.5-1.0倍额定电流范围内,动稳定电流应该小于0.5%。

热稳定电流表示电流通过电流互感器时,其热稳定性能的变化情况。常见的电流互感器中,磁性芯心的热参数是影响热稳定电流的主要因素。随着磁性芯心温度的升高,电流互感器的磁化曲线会发生变化,从而导致测量误差的变化。热稳定电流的设定要根据电流互感器的磁芯材料、绕组温度系数、工作温度等因素进行综合考虑。通常情况下,大型电力系统中,热稳定电流应该大于或等于额定电流的2倍。

精度等级

电流互感器的精度等级足用电流的相对误差表示的,即:

电流互感器

100%

式中,

电流互感器

为电流相对误差,也叫变流比误差;
电流互感器
为变流比;
电流互感器
为实测二次电流;
电流互感器
为一次额定电流。例如:0.5级电流互感器的电流相对误差为±0.5%。

额定容量

电流互感器的额定容量,是指电流互感器在额定电流和额定负载下运行时二次所输出的容量,容量的单位为伏安(VA)。所以额定容量

电流互感器

和额定负荷
电流互感器
之间的关系,可以用下面的公式来表示:
电流互感器

应用

电力系统保护

在电力系统中,电流互感器通常用于保护装置中,以便实时监测电力系统的电流,并对系统内部的故障进行定位和保护动作。

电力系统测量

电流互感器也常用于电力系统的测量中,以确保电力系统的稳定运行。电流互感器可以用于测量电力系统中的电流大小和方向,可根据测量结果对电力系统进行调整和优化。

电力质量排查

电流互感器也可以用于电力质量监测中,用于监控电力系统中的各种异常和问题。电流互感器可以检测电力系统内部的各种故障,如过载、短路、电弧等问题,帮助防止电力系统发生事故和损失。

家居

电流互感器还可应用于非电力领域,例如家用电器、家居智能插座的保护等领域中,在这些领域中,电流互感器通常被用于测量各种电流,用来确认是否有漏电等异常发生,以确认设备的安全。

发展趋势

  1. 智能化:随着物联网及人工智能技术的普及,电流互感器将不再只是简单的测量设备,而是与数据采集、通信、控制等功能融合,变得更智能化,具备更强的自适应能力和互动性。

  2. 小型化:传统的电流互感器将进一步微型化,适用于家庭智能电网、微型供电网络等更小型的电力系统。

  3. 结构组合化:利用电子式微功率、小型化优势,互感器更多以组件方式组合于变压器、全封闭组合电器、隔离刀等组合电器中,减少占地,降低造价。

  4. 传感无源化:由于无源传感方式具有技术优势,独立式ECT传感部件将趋向于无源化,这包括有源式传感器将通过摆脱对外源的依赖,实现自供电,走向准无源化,由此,互感器平均寿命周期将会达10年以上。光学传感器通过提高其测量性能,简化系统结构,降低造价,进入实用。

标准

命名规则

电流互感器的型号表示为L□□□□一□/□一□

第一字母:L一电流互感器。

第二字母:A一穿墙式;B一支持式;C一瓷箱式;D一单匝式;F一多匝式;J一接地保护;M一母线式;Q一线圈式;R一装入

式;Z一支柱式。

第三字母:C一瓷绝缘;J一树脂浇注绝缘;K一塑料外壳;W一户外式:Z一浇注绝缘。

第四字母:B一保护级;D一差动保护;p一加强型;J一加大容量。

第五字母:D一差动保护。

第六数字:电压等级。

第七数字:精度等级。

第八数字:额定电流。

例如,LA一10为穿墙式、额定电压为10KV的电流互感器。LQJ一10为线圈式、树脂浇注、额定电压为10KV的电流互感器。LFZJ一10为贯穿复匝式、浇注绝缘加大容量的额定电压为10KV的电流互感器。LMZB一0.5为0.5KV、母线式,浇注绝缘、保护用电流互感器等。

各国法规

电流互感器相关法规主要是电力行业的法规。

  1. GB1208-2016电流互感器通用技术要求:是中国电力行业对电流互感器制造和使用的技术要求标准,包括了电流互感器的通用技术指标、结构要求、耐受能力要求以及检验、验收、包装、运输等方面的规定。

  2. GB/T 20840.103-2020 :是中国电能质量监测的标准,包括互感器的物理特性、互感器类型和特点等方面的内容,其中也包括了电流互感器的介绍和相关信息。

  3. ANSI/IEEE C57.13-2008电流互感器的标准要求:是美国国家标准协会(ANSI)和电气和电子工程师学会(IEEE)共同发布的标准,规定了电力系统中电流互感器的一些基本要求,包括额定电压、额定电流、精度等方面的规格要求。

  4. IEC 61869-3电气测量变压器和电流互感器部件的通用要求和试验方法:国际电工委员会(IEC)发布的电流互感器标准,主要针对电流互感器和其他电气测量变压器组件的技术要求和试验方法,包括了电气性能、机械性能、环境要求等方面的规定。

  5. IEC60044-8-2002:第八部分,目的是为了规定电流互感器(CT)的特性和试验方法,以确保设备的性能和特性符合设计要求。该标准规定了电流互感器的几个重要指标,包括常用的电流比和准确度等,还规定了常见的试验方法和检验标准等。IEC60044-8-2002主要适用于低压、中压及高压电力系统中的电流互感器。它规定了电流互感器的设计、工作温度、精度、额定电流,以及其他必要的性能指标,该标准还规定了电流互感器的试验方法,包括常见的电性能试验,热性能试验,机械性能试验等等,以确保电流互感器的各项性能都符合标准要求。

制造商

  1. 美国ABB有限公司(ABB):ABB是一家全球知名的电力和自动化技术企业,产品包含了各种类型和规格的电流互感器,广泛应用于电力系统中的保护和测量设备。

  2. GE电气(GE Power):GE电气是一家全球知名的电力和能源企业,它的电流互感器产品线囊括了各种规格和类型的电流互感器,覆盖了整个电力系统的能力范围。

  3. TDK电子(TDK Electronics):TDK电子是一家全球知名的电子和电力设备制造商,该厂家的电流互感器产品线广泛应用于电力系统中的保护和检测设备。