电感(inductance)是导体中产生的电动势或电压与产生此电压的电流变化率之比。稳定的电流产生稳定的磁场,不断变化的电流(交流)或直流产生变化的磁场,变化的磁场反过来使处于此磁场的导体产生电动势,这种电动势称为感生电动势。感生电动势的大小与电流的变化率成正比,比例因数称为电感。为了纪念物理学家海因里希·楞次(Heinrich Lenz),电感通常用L表示,单位为亨利(H)。亨利(H)是一闭合回路的电感,表示此回路中流过的电流以1安培每秒的速率均匀变化时,回路中产生1伏特的电动势。

电感是闭合回路的一种属性,即当通过闭合回路的电流改变时,会出现电动势来抵抗电流的改变。这种电感称为自感,是闭合回路自己本身的属性。假设一个闭合回路的电流改变,由于感应作用而产生电动势于另外一个闭合回路,这种电感称为互感。

约瑟夫·亨利(Joseph Henry)在1832年发表了题为《在长螺旋线中的电自感》的论文,把通电线圈断路时电流增大的现象叫做自感,1889年,在第二届国际电学家大会上,决定采用“亨利(H)”作为电感单位。

本页面主要目录有关于电感的:发现历史、相关概念、特性、基本参数、计算、测量方法、电感器、应用等介绍

中文名

电感

英文名

inductance

提出时间

1832年

相关人物

约瑟夫·亨利(Joseph Henry)

相关著作

《在长螺旋线中的电自感》

研究对象

电磁感应

运用领域

电磁学

起源地

美国

发现历史

丹麦的物理学家奥斯特(Hans Christian Oersted)于1820年发现了电流的磁效应。

1823年,斯特金(William Sturgeon)用马蹄形钢片和绕在其上的金属线制成了第一块电磁铁。

1827年,约瑟夫·亨利开始研究电和磁,他认为电磁铁是揭开电磁奥秘的钥匙,决定用安培(Andre-Marie Ampere,1775-1836)的分子电流假说改进当时的电磁铁,1829年8月,亨利在用实验研究不同长度的导线对电磁铁的提举力的影响时,意外地看到了通有电流的长导线断开时可以产生明亮的火花,这种电流与线圈(导体)的相互作用定义了电感的概念。

1831年8月29日,迈克尔·法拉第 (Michael Faraday)通过“圆环实验”,首次观察到电磁感应现象,1831年10月28日,法拉第利用克利斯蒂实验室的强磁体,设计了新的实验装置,实现了持续产生感应电流,至此电磁感应的“磁生电”现象得到证实。

1832年亨利发表了题为《在长螺旋线中的电自感》的论文,把通电线圈断路时电流增大的现象叫做自感,电感的概念被正式提出。

1889年,在第二届国际电学家大会上,科学家提出采用“亨利”作为电感单位。这个提议获得一致通过。

相关概念

自感

当线圈中有电流通过时,线圈的周围就会产生磁场。当线圈中电流发生变化时,其周围的磁场也产生相应的变化,此变化的磁场可使线圈自身产生感应电动势(电动势用以表示有源元件理想电源的端电压),这就是自感。

通常用L表示,自感值的计算公式为:

电感

在一般情况下,

电感

磁耦合

电感的磁耦合是指两个或多个电感器的互相影响,即通过磁场相互作用的现象。当其中一个电感器中产生变化的磁场穿过另一个电感器时,它会在另一个电感器中感应出电动势,从而互相耦合。这种耦合能够产生新的电感感应,使得电路中的阻抗发生变化。

在电路中,电感的磁耦合常用来实现变压器、传感器、电磁绕组等电磁器件。变压器就是通过电感器的磁耦合来实现电能的传递和变换。

稳定性

稳定性是表示电感随环境条件变化而改变的程度,通常用电感温度系数

电感

电感的并联

多个电感

电感

含磁芯线圈电感量

含磁芯线圈的电感量计算式为:

电感

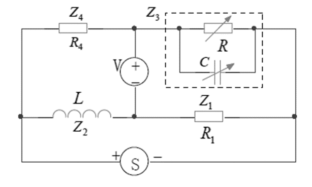
交流电桥的电路结构与原理均与直流惠更斯电桥相同,如下图所示,激励信号源

电感

为交流信号,四个桥臂的阻抗
电感
可以为电容、电感、电阻或其任意组合,通过调节电容
电感
的大小使电桥达到平衡,进而利用平衡条件和其它已知的三个阻抗值来求得第四个阻抗值。

谐振法

将电感放置在一个振荡电路中,使电路达到谐振状态,根据其他已知参数和实际测得的谐振频率,从而求出电感的大小。

矢量电压-电流法

矢量电压-电流法实际上是根据欧姆定律而来的,即若已知通过被测元件阻抗中矢量电流的大小和方向,并且得到被测元件阻抗两端的电压值,则通过欧姆定律便可以得到被测元件阻抗的矢量大小与方向。

电感器

具有电感性质的元件称为电感器,简称电感,常用标记为L。作为电感线圈时主要作用是滤波、聚焦、偏转、延迟、补偿、与电容配合用于调谐、谐波、选频、震荡;作为变压器使用时主要作用为耦合信号、变压、阻抗匹配等。

1.电感量

电感器工作能力的大小用[电感量]来表示,表示电感器产生感应电动势的能力。电感量的基本单位是亨利 (H) ,常用单位为毫享 (mH) 、微亨 (pH) 与纳享 (nH),它们之间的转换关系为:

1H=103mH=106uH=109nH

电感量只与线圈的圈数、尺寸及形状等有关。一个线圈电感量为 100 mH,其上电流变化率Ai/At为1A/s,产生的自感电动势为

EL=-LAi/At=-0.1V

式中 EL代表自感电动势,L表示电感量,负号表示自感电动势对外加电动势的抵抗作用。

2.允许误差

允许误差是指电感器上标称的电感量与其实际电感量的允许误差值。

(1)通常用于振荡或滤波等电路中的电感器要求精度较高,允许误差为 0.2%~土0.5%。

(2) 用于高频阻流、耦合等线圈的精度要求不太高,故允许误差为 10%~+15%。

3.额定电流

额定电流是指电感器在正常工作时所允许通过的最大电流值。当工作电流超过额定电流时,电感器则会因发热而导致性能参数发生变化,甚至还会因过电流而烧坏。

应用

利用电感的特性制造出来的设备和器件,在各个领域都有很好的应用。如:

变压器:是一种利用电磁感应原理来升降电压电流并实现能量和信息传递的多端电气设备。该装置采用电感磁耦合的基本原理,在相同的频率下,可以把从原来的交流电的电压值转变成其它的电压值,满足高压、低压等应用需求。

电动机:把电能转换成机械能的一种设备,它利用通电线圈产生旋转磁场并作用于转子形成磁电动力旋转扭矩。电动机按工作电源种类不同分为直流电动机和交流电动机,电力系统中的电动机大部分是交流电动机,可以是同步电机或者是异步电机。交流电动机主要由定子与转子组成,通电导线在磁场中受力运动的方向与电流方向和磁感线(磁场)方向有关,其基本工作原理遵循电磁感应定律,磁场对电流的力的作用,使电动机转动。电动机广泛应用于各类场合,如电车、电力机车、风机、水泵和机床等设备的动力源。

发电机:发电机是一种将机械能转化为电能的设备,广泛应用于工业生产、交通运输和民用领域。发电机是是利用转子旋转磁场相对定子磁场间磁势(安匝数)是相对平衡且没有相对运动、转子转速与定子绕组旋转磁场间存在有转差的柔性联系的特点生产而成的。

滤波器:滤波器在电力电子装置的广泛应用,给电网注入了大量谐波电流和无功电流,直接影响到电网供电质量和其他用电设备的安全运行.有源电力滤波器(activepower filter,APF)作为抑制电网谐波和无功扰动的一种有效手段,得到了广泛的研究。