简介
该文件的制定和出台填补了该类产品缺乏标准规范的空白,有利于庭院凉篷产品质量的提升以及行业的发展,为企业出口提供保障。文件首次对庭院凉篷从产品分类、原材料、外观、产品完整性、尺寸、性能要求和安全要求等方面进行详细规范。在规范产品使用性能的同时,提高了适用性。
文件信息
2023年5月23日,《庭院凉篷》发布,标准号为GB/Z 42692-2023,中国标准分类号(CCS)Y89,国际标准分类号(ICS)97.180,主管部门和归口部门为中国轻工业联合会,发布单位为国家市场监督管理总局、国家标准化管理委员会。
2023年12月1日,《庭院凉篷》实施。
文件全文
前言
本文件按照GB/T1.1-2020《标准化工作导则第1部分:标准化文件的结构和起草规则》的规定起草。
请注意本文件的某些内容可能涉及专利。本文件的发布机构不承担识别专利的责任。
本文件由中国轻工业联合会提出并归口。
本文件起草单位:浙江泰普森实业集团有限公司、台州东海翔染整有限公司、宁波万汇休闲用品有限公司、基伟休闲用品有限公司、浙江永强集团股份有限公司、浙江临亚股份有限公司、广东鹤山市大光明制伞有限公司、深圳市棕榈滩露营用品有限公司、鹤山市创顺五金制伞有限公司、衢州天野户外用品有限公司、鹤山同信实业有限公司、鹤山市文兴五金制伞有限公司、鹤山市粤汉制伞有限公司、鹤山市兴安旅游用品有限公司、鹤山市富岗户外用品有限公司、广东省东莞市质量技术监督标准与编码所、格伦雷文纺织科技(苏州)有限公司、北京京东世纪信息技术不有限公司、通标标准技术服务(上海)有限公司、浙江优品检测有限公司、扬州市产品质量监督检验所、中国礼仪休闲用品工业协会。
本文件主要起草人:杨宝庆、项健、邵春生、邱文芳、王定科、赵年高、何建明、冯奕隆、庞山、王文辉、雷立平、李添文、龚明新、裘来安、邓自强、卢耕、钟才粪、汤肠旭琦、张林、甘磊、杨帆
引言
庭院凉篷广泛应用于休闲、文体、旅游和娱乐等领域,该产品在帐篷产品中占有相当份额,是帐篷产品中一类重要的组成部分。本文件的制定在保证与现不有标准成套成体系的基础上,力求标准规范、操作性强、适应行业发展现状,有利于庭院凉篷产品质量的提升以及行业的发展。
1、范围
本文件规定了庭院凉篷的产品分类,以及原材料、外观、品完整性、尺寸、性能、结构等技术要求,描述了试验方法,规定了检验规则、标志、使用说明、包装装、运输及贮存等内容。本文件适用于由骨架与篷面组成,主要用于户外庭院使用月、能独立支撑不依附建筑物的庭院用凉篷。本文件不适用于建筑用凉篷。
2、规范性引用文件
下列文件中的内容通过文中的规范性引用而构成本文件必不可少的条款。其中,注日期的引用文件,仅该日期对应的版本适用于本文件;不注日期的引用文件,其最新版本(包括所有的修改单)适用于本文件。
GB/T 2828.1-2012 计数抽样检验程序 第1部分:按接收质量限(AQL)检索的逐批检验抽样计划
GB/T 2829-2002 周期检验计数抽样程序及表(适用于对过程稳定性的检验金)
GB/T3880.1-2012 一般工业用铝及铝合金板、带材第1部分:一般要求
GB/T3917.3 纺织品织物撕破性能 第3部分:梯形试样撕破强力的测定
GB/T 3920 纺织品 色牢度试验 耐摩擦色牢度
GB/T 3923.1 纺织品 织物拉伸性能 第1部分:断裂强力和断裂伸长率的测定(条样法)
GB/T 4744 纺织品 防水性能的检测和评价 静水压法
GB/T 4745 纺织品 防水性能的检测和评价 沾水法
GB/T5237.4-2017 铝合金建筑型材第4部分:喷粉型材
GB/T 5713 纺织品 牢度试验 耐水色牢度
GB/T 6543 运输包装用单瓦楞纸箱和双瓦楞纸箱
GB/T 6739 色漆和清漆 铅笔法测定漆膜硬度
GB/T 6836 缝纫线
GB/T 6893 铝及铝合金拉(轧)制管材
GB/T 8427 纺织品 牢度试验 耐人造光色牢度:氙弧
GB/T 8631 纺织品 织物因冷水浸渍而引起的尺寸变化的测定
GB/T 10125 人造气氛腐蚀试验 盐雾试验
GB/T13452.2-2008 色漆和清漆 漆膜厚度的测定
GB/T13773.2 纺织品 织物及其制品的接缝拉伸性能 第2部分:抓样法接缝强力的测定
GB/T13793 直缝电焊钢管
GB/T 18830 纺织品 防紫外线性能的评定
GB/Z27735-2022 野营帐篷
GB/T 32599 纺织制品附件脱落强力试验方法
GB/T 35450-2017 聚碳酸酯薄膜及片材
GB/T 50344-2019 建筑结构检测技术标准
QB/T 2171-2014 金属拉链
QB/T 2172-2014 注塑拉链
QB/T2173-2014 尼龙拉链
3、术语和定义
下列术语和定义适用于本文件。
3.1 庭院凉篷 courtyard gazebo
户外庭院中使用的,具有屋顶式结构而侧面为开放式,能独立支撑、不依附建筑物、具备遮阳功能,部分产品兼有防雨能力的帐篷。注:以下简称"凉篷"。
3.2 骨架 frame
支撑凉篷的立柱、连接管、顶管的总称。
4、产品分类
4.1 按骨架材质分为:直缝电焊钢管(或铁管)、铝合金或其他材质的凉篷。
4.2 按结构和篷面材质分为:
a)折叠式凉篷:篷面材质通常为纺织材料,可折叠收纳;
b)固定式凉篷:篷面材质通常为铝塑板、PC聚碳酸酯板、铁板等,不可折叠收纳。
5、要求
5.1原材料
5.1.1篷面
凉篷的篷面材料应符合5.5.1及相关材料标准的规定。
5.1.2骨架
凉篷骨架通常采用铝合金、直缝电焊钢管(或铁管)或其他材质制成。其中,铝合金管骨架应符合GB/T6893的相关要求。直缝电焊钢管(或铁管)骨架应符合GB/T13793的相关要求。其他材质骨架应符合相关材质标准。
5.1.3缝纫线
缝纫线质量应符合GB/T 6836的要求。
5.2外观
5.2.1整体
5.2.1.1折叠式凉篷的篷面应平整、光洁、颜色均匀一致,无漏丝、漏针、断丝、破洞、污渍等缺陷;固定式凉篷的篷面应平整、光滑、无毛刺,涂镀层表面应无锈蚀或破损。
5.2.1.2凉篷骨架表面应光洁、平整,无毛刺、无明显色差。
5.2.2金属件
5.2.2.1管材表面应光滑,无裂缝、结疤,漆膜无露底,无明显流挂、皱皮色差、剥落、返锈,弯曲处弧形应圆滑。
5.2.2.2各金属件表面应光洁,无明显擦伤、划痕和明显色差。此外,金属件表面不应有毛刺、变形、开裂、锐角、流挂、露底、皱皮、剥落、锈蚀等现象。
5.2.2.3连接螺钉应光滑,无滑牙现象;焊接处应无脱焊、虚焊、焊穿;铆接处应无漏铆、脱铆。
5.2.3塑料件
塑料件表面应光滑、平整,无明显擦伤、划痕、色差,以及毛束刺、变形、开裂、锐角等缺陷。
5.3产品完整性
产品应完整,数量应和使用说明中声称一致,不应出现部件牛配件缺装、脱落等现象。
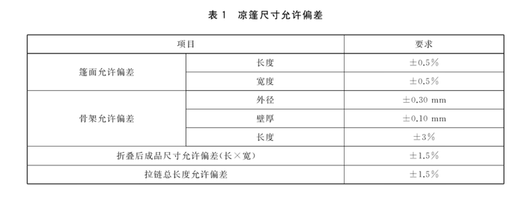
5.4尺寸
凉篷的尺寸允许偏差应符合表1的要求,特殊需求由供需双方商定。

5.5性能要求
5.5.1 篷面
5.5.1.1 纺织材料
5.5.1.1.1 纺织材料的篷面理化性能应符合表2的要求。

5.5.1.1.1.2 涂层布表面涂覆材料应均匀牢固,不应有气泡、分层、脱模现象
5.5.1.1.3 缝制:涤纶布应不少于5针/25mm,来回倒针3次,倒针应重叠。接缝不应脱离、包边完整,不应有跳针、断线等缺陷。
5.5.1.1.4 对于声称具有防雨功能的凉篷,其防水性应符合表3的要求。

5.5.1.2 其他材料
PC聚碳酸酯板篷面应能承受(1.35±0.01)kg钢球的冲击,而不出现破裂、损毁等。
钢质板材质量应符合GB/T50344-2019中第6章的要求。
铝合金材质质量应符合GB/T3880.1-2012的要求。
木质板材质量应符合GB/T50344-2019中第8章的要求。
塑料板材质量应符合GB/T35450-2017的要求。
5.5.2附件
5.5.2.1 凉篷上易触及金属件的涂镀层应符合表4的要求。

5.5.2.2 如果凉篷上使用了拉链,按不同的拉链材料,平拉强力和拉头拉片结合强力应分别符合QB/T 2171-2014、QB/T 2172-2014、QB/T 2173--2014的相应要求。
5.5.2.3 对于凉篷上的索环、金属扣眼等附件,其附件脱落强力不应少于200N。
5.5.3防雨
对于标识为具有防雨功能的凉篷,按6.5.3的规定进行试验后,篷内不应有滴水、漏水现象,也不应坍塌或出现任何永久性结构损坏。
5.5.4 开合能力
按6.5.4的规定进行试验后,折叠式凉篷应开合顺畅,无损伤、变形、部件脱落等缺陷。
5.5.5 承重强度
按6.5.5的规定进行试验,试验过程中和试验结束后,凉篷均不应出现坍塌和变形。
5.5.6 支架耐用性
按6.5.6的规定进行试验后,凉篷应能正常安装,且安装后应稳固,不应出现连接件松动、弯曲、开裂或永久变形。
5.5.7 防风稳定性
按6.5.7的规定进行试验后,凉篷应能保持稳固、开合正常,不应出现连接件松动、弯曲、开裂或永久变形,固定绳索不应出现断裂。
5.6 结构要求
5.6.1 易接触部位的边和角
所有易接触部位的锐利边缘和锐利尖端应进行适当的处理,避免对使用者造成伤害。
5.6.2 孔洞与缝隙
任何人体可触及的区域内均不应出现尺寸为7mm~12mnn且深度大于10mm的孔洞或缝隙,骨架底部与地面接触部分应进行封闭处理。直径7mm~121mm之外的管状部件除外。
6、试验方法
6.1原材料
6.1.1篷面
不同材质按相应材料标准的规定进行检验。
6.1.2 骨架
铝合金管骨架按GB/T6893的规定进行检验。直缝电焊管(或铁管)骨架按GB/T13793的规定进行检验。其他材质骨架按相关材质标准进行检验。
6.1.3 缝纫线
缝纫线的质量按GB/T 6836的规定进行检验。
6.2 外观
目视和手感检验。
6.3 产品完整性
目视和手感检验。
6.4 尺寸
长度用钢卷尺测量,管径用游标卡尺测量,壁厚用管壁测厚仪测量,然后分别与标称尺寸求差值并除以标称尺寸值。
6.5 性能要求
6.5.1 篷面
6.5.1.1 纺织材料
6.5.1.1.1 纺织材料篷面的理化性能按表2的规定进行试验。其中1,对于接缝强力,试样应从成品上采样。
6.5.1.1.2 目视检查涂层布表面涂覆材料应均匀牢固,不应有气泡、分层、脱膜现象。
6.5.1.1.3 缝制采用目视及手感进行检测,对于缝制针数通过计数检验。
6.5.1.1.4 对于具有防雨功能的凉篷,应按表3的规定进行防水试验。
6.5.1.2其他材料
6.5.1.2.1 PC聚碳酸酯板篷面冲击试验按下列步骤进行:
a)从PC聚碳酸酯板篷面上分别取2块同等大小的试样,每块试样单方向最小尺寸50cm;
b)将其中1块试样在一10°C的试验箱中放置6h,取出后5min内进行落球冲击试验,钢球直径10cm、质量(1.35±0.01)kg,落球高度1m;
c)取另1块试样在温度为40°C的试验箱中放置6h,取出后5rnin内进行同样的落球冲击试验;
d)试验结束后,目视及手感检查试样是否有破裂、损毁等。
6.5.1.2.2 钢质板材篷面质量按GB/T50344-2019的规定进行试验。
6.5.1.2.3 铝合金材质篷面质量按GB/T 3880.1-2012的规定进行试验。
6.5.1.2.4 木质板材篷面质量按GB/T50344-2019的规定进行试验。
6.5.1.2.5 塑料板材篷面质量按GB/T35450-2017的规定进行试验。
6.5.2 附件
6.5.2.1 凉篷上易触及金属件的涂镀层厚度按GB/T13452.2-2008中5.5的规定进行试验。硬度按GB/T6739的规定进行试验。附着力采用划格试验,按CGB/T5237.4-2017中5.4.5.1干附着性的规定进行。耐腐蚀性采用中性盐雾试验,按GB/T10125的规定进行。
6.5.2.2 不同的拉链材料,分别按QB/T2171-2014、QB/T2172-2014、QB/T2173-2014的规定进行拉链的平拉强力和拉头拉片结合强力试验。
6.5.2.3 索环、金属扣眼等附件按GB/T32599的规定进行行试验。
6.5.3 防雨
按图1设置喷淋系统,喷头的形式按图2规定。将凉篷撑开,使使骨架与地面垂直,按GB/Z27735-2022中8.3的步骤,并采用下述测试条件进行防雨测试。
a)水压:300kPa~450kPa;
b)喷头高度:距离地面4.5m~5.0m;
c)喷头间距:1m,喷淋面积可均匀覆盖整个凉篷;
d)水流速度:60L/(h·m2);
e)喷水量:(6.0士0.5)L/min;
f)喷淋时间:5min。
若采用其他装置测试,喷水量、淋水范围均应满足本文件规规定。
测试结束后,目视及手感检查凉篷漏水情况,以及是否出现现坍塌或结构性损坏。


6.5.4 开合能力
将凉篷完全打开后再完全关闭,计为1次,连续开合10次。试验过程中感受凉篷是否开合顺畅,试验结束后目视及手感检查凉篷是否出现损伤、变形、部件脱落等缺陷。
6.5.5 承重强度
将凉篷安装在固定位置,按下述要求将重物吊挂在凉篷中心点,时间30min,30min后去除负载
a) 折叠式凉篷:在静止环境下,承重25kg。
b)固定式凉篷:在静止环境下,承重50kg。
试验过程中及结束后,目视检查凉篷是否出现坍塌、变形。
6.5.6 支架耐用性
按照使用说明,对凉篷进行10次拆装(一装一拆计为1次(),试验过程中及试验后目视及手感检查凉篷是否出现无法正常安装,是否出现拆装困难、安装后不稳固、连接件松动、弯曲、开裂或永久变形等问题。
6.5.7 防风稳定性
按照使用说明安装凉篷并固定在地面上,防风测试设备由4个风机组成,每个风扇直径均为1600mm,防风测试设备4个风机的中心点与测试样品J预边缘中心点距离5m,防风设备中心位置与凉篷顶边缘中心位置保持一致,风速设定为20km/h。又寸凉篷作用5min。试验后,检查凉篷是否稳固,开合是否正常,固定绳索是否出现断裂,是否出现连接件松动、弯曲、开裂或永久变形等。图3给出了防风稳定性测试的示意图。

6.6 结构要求
6.6.1 易接触部位的边和角
目视及手感检查。
6.6.2 孔洞与缝隙
采用图4所示的试验探棒进行检验。

7、检验规则
7.1 检验分类
产品检验分为出厂检验和型式检验。
7.2 组批
以工艺、品种、规格相同的订货批为1批。
7.3 出厂检验
7.3.1 出厂检验项目为外观(5.2)、产品完整性(5.3)、尺寸((5.4)、开合能力(5.5.4)和缝制(5.5.1.1.3)。
7.3.2 出厂检验按GB/T2828.1-2012的规定,采用正常检验一次抽样方案,一般检查水平II,接收质量限(AQL)为6.5,接收数(Ac)、拒收数(Re)按表5规定。

7.4 型式检验
7.4.1 型式检验的检验项目为第5章中的全部项目。
7.4.2有下列情况之一时应进行型式检验:
a)新产品或老产品转厂生产的试制定型鉴定;
b)产品的工艺、原料有较大改变可能影响产品质量时;
c)正常生产时,每12个月进行1次;
d)产品停产超过6个月后恢复生产时。
7.4.3 型式检验的样品应从出厂检验的合格批次中抽取,型式村检验的抽样及判定按GB/T2829-2002的规定进行,其判别水平、抽样方案、不合格质量水平等按表6规定。

8 标志、使用说明、包装、运输及贮存
8.1 标志
8.1.1 产品应附有合格证并标明产品名称、制造商(经销商)、地址、规格型号。
8.1.2 外包装上应标注产品名称、制造商(经销商)、地址上、生产日期、规格型号、结构和篷面材质类型、本文件编号。对于具有防雨功能的产品,应在产品外包装装上注明"防雨"二字。
8.2 使用说明
产品应通过纸质、电子等方式随附使用说明和注意事项等信息。
注:电子方式的使用说明包括光盘、二维码、网址等。
8.3 包装
产品的包装分内包装和外包装,内包装采用塑料袋包装,外包装用符合GB/T 6543规定的瓦楞纸箱或按用户要求包装。
8.4 运输
产品在运输过程中应轻装轻卸,禁止翻滚、重压,并防止雨雨淋、明火,不应与腐蚀性物品混运。
8.5 贮存
产品应贮存在阴凉干燥的库房内,注意防雨、防潮、防火,不应与腐蚀性物品共贮。