5v电源怎么降到2.4v?
5v电源怎么降到2.4v?
-
直流电源DC-DC变换是电路设计必备的知识,电路设计当中首先需要考虑的就是电源部分设计,因为每一个电路都会设计到电源,而且很有可能不止一种电源,所以经常要考虑各种电源之间变换。

根据提问者的要求,怎么把5V电源降到2.4V,但是并没有描述清楚2.4V的用途。1)若2.4V只是为了点亮LED指示灯的话,可以直接串联一个限流电阻即可,通过限流电阻降压、限流。很多类似于LED指示灯的小电流负载也可以使用限流电阻的方式进行降压,一般负载电流小于30mA,且负载电流变化不大(几乎恒定)。2)若2.4V只是作为基准源,如果对基准源的电压精度要求不高,可以直接使用电阻进行分压得到2.4V,若要求较高可以使用基准源芯片进行变压,比如TL431基准源芯片。
5V转化为2.4V作为电源
下面介绍常用的5V电源转化为2.4V的电源电路设计:
(1)若负载电流较小时,可是使用低压差可调三端稳压器AMS1117-ADJ进行降压,该芯片压差可低至1V,不过最大输出电流只有800mA。原理如下图所示,AMS1117-ADJ的内部基准源VREF为1.25V,其输出电压公式为:VOUT=VREF(1+R2/R1)=1.25(1+R2/R1),要求输出电压2.4V,则1.25(1+R2/R1)=2.4,可推出R2/R1=0.92,所以选择合适的电阻R1和R2使R2/R1=0.92即可,比如R2=920Ω,R1=1000Ω。

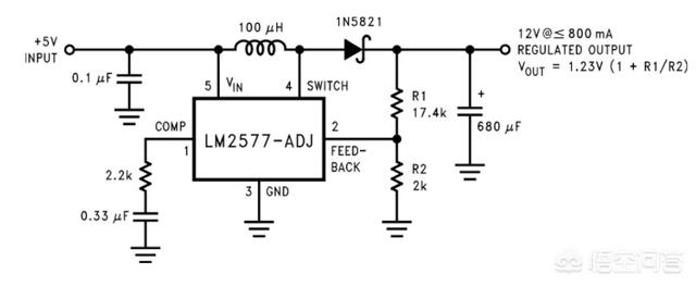
(2)若负载电流较大,AMS1117无法满足要求怎么办?可以使用输出电流较大的开关电源芯片进行降压,比如LM2596、LM2577等,下图为LM2577原理,该电路最大输出电流可达3A,其输出电压公式VOUT=1.23(1+R1/R2),将2.4V代入即可求出R1/R2的比值,选择合适的电阻即可。LM2577是很常用的电源IC,既可升压也可降压。

以上是本人的回答,答题不易,如果觉得还可以别忘了点个赞哦!若还有什么不明白的地方请评论区下方留言,若想了解更多相关知识,请关注本头条号,会持续更新内容,谢谢支持!
2019-11-30 12:18:40 -
5V电源降压到2.4V很简单,使用LDO降压就可以了
由比较高的直流电变为比较低的直流电称为降压,降压我们一般选择线性稳压电源芯片或者低压差线性稳压电源芯片(LDO)设计电路。5V电压与2.4V电压之间的压差不多,需要选择LDO设计电路
AMS1117设计2.4V直流输出
AMS1117是最常见的LDO,输出电流可以达到800mA,可以满足大多数的应用场合。只要通过电阻分压设置反馈电压就可以得出需要的输出电压了。
Vout=1.25*(1+R2/R1)+Iadj*R2,由于Iadj只有50ua左右,可以忽略不计,我们可以把计算公式变为:Vout=1.25*(1+R2/R1),当R1=330R,R2=303.6R,就可以得到大约2.4V的输出电压了。
也可以用1K有可调电阻代替R2,把模块设计为可调电压输出。根据自己需要调整电压就可以了。

AMS1117常见的封装有SOT-223和TO-252,引脚图如下

使用AMS1117设计出的电源模块尺寸也不大,把输入端接到5V,输出端就可以得到输出的电压了。

欢迎关注@电子产品设计方案,一起享受分享与学习的乐趣!关注我,成为朋友,一起交流一起学习
- 记得点赞和评论哦!非常感谢
2019-11-27 20:47:13 -
将5V降压为2.4V需要用到降压电源芯片,最常用的IC为低压差线性稳压器AMS1117,这颗LDO电压芯片在单片机电源电路中应用广泛。该版本具有固定输出版本和可调版本输出。由于2.4V为非常用电压,所以可以用可调版本来实现。AMS1117-ADJ版本的电路原理图如下图所示。

LDO的好处就是外设元器件少,输出纹波低,对于可调版本而言,需要外接两个电阻用于调节输出电压。计算公式为Vo=1.25×(1+R313/R314)。输出为2.4V时,经过计算,R313/R314的比值为0.92。为了方便输出,如果PCB空间较大的话,可以将R313用滑动电位器来实现。该LDO常用的封装有SOT223、SOT89以及SO8等。封装和引脚分布信息如下所示。

该LDO的最大输入电压为15V,输出电流最大可达1A,可满足大多数单片机的供电应用。AMS1117的实物图如下图所示。

以上就是这个问题的回答,感谢留言、评论、转发。更多电子设计、硬件设计、单片机等内容请关注本头条号:玩转嵌入式。感谢大家。
2019-11-28 20:05:32 -
5伏电源有两种情况,一种是交流电源另外种是直流电源,内行人交流降压比较容易些用变压器就可以了,还可以用电容降压通过选用合适的电容来降压,还可以用二极管降压一个二极管的压降是0.7伏,4个二极管就可以了,误差0.4伏。直流我们可以电阻或是滤波电容,直流降压比较复杂些先把直流通过电路变成交流最后通过变压器把电压降下来然后通过二极管变成直流。
2019-11-27 23:38:59 -
加个电阻,或者动手能力强的话,可以按比例弄个感应线圈,降压!
2019-11-28 03:50:04 -
加个电阻
2019-11-28 10:04:01 -
用一个电源转换模块
2019-11-28 08:29:54 -
最简单的办法就串联4个整流二极管
2019-11-28 10:54:07