假设PLC I/O点有限,比如只有两个输入点,要实现单个电动机的启动保护停止程序,如何处理?
全部 1021
假设PLC I/O点有限,比如只有两个输入点,要实现单个电动机的启动保护停止程序,如何处理?
-
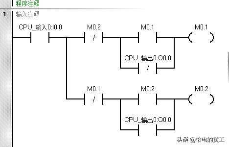
这是我自己做的,用的西门子smart做的,我的理解你是想一个点控制电机的启停,并且做到启保停,关公面前舞大刀,希望高手看到别笑话,但我试了是没问题的,希望采纳!I0.0第一次工作时,Q0.0输出,I0.0再一次工作时,Q0.0停止输出!

2020-03-06 15:27:14 -
可以把程序设计好后,停止按钮都供外用一个输入点x0,但一定是转换开关,X1停止按,按一下启动二个电机,但只能运行到内部设定的时间
2020-03-06 14:11:19 -
可以有几种方法实现,1,一个点定义保护,一个按钮控制启停,计数,中继切换都是可行的
2利用外部电机控制继电器切换,启动串常闭,故障串常开,停止独立控制
2020-03-07 00:07:54 -
另加一个辅助触头解决
2020-03-06 22:25:27