在用电蚊拍电蚊子时,为什么蚊子会触电?
在用电蚊拍电蚊子时,为什么蚊子会触电?
-
谢谢邀请!电蚊拍能电蚊子,要从电蚊拍构造原理来解释。
下面是电蚊拍的简单电路图,它由电阻,电容,三极管,二极管,升压变压器以及成品网状结构组成,简单原理就是三极管与电阻,电容,升压变压器的初级构成振荡电路,将直流电变成高频振荡电压,从而使升压变压器次级感应出10000Ⅴ到15000v左右的高压将蚊子击倒,成品电蚊拍有二三层网格,一层网格接升压变压器次级的一端,一层接次级的另一端,当蚊子同时接触到两层网格时,等于是次级线圈短路将蚊子电死。
电蚊拍会电人吗?答案是会电人,手指同时接触到两层网格就会,但是不用担心,它只是如蚊子叮咬一下,因为它电流极小,几乎可以忽略不计,只是电压高,所以可以放一万个心放心使用!


2018-08-04 13:52:31 -

电蚊拍的高电压电路产生小电流,原理很简单,根据欧姆定律I=U/R可知,只要在电路中串联一个大电阻产生5mA的电流就可电死蚊子。而人体安全电流为30mA,所以电蚊拍是安全的,更不可能对人体造成伤害。
当我们发现蚊子,用电蚊拍随手一挥就能消灭蚊子,感觉好用又实在,其中的啪啪声真的令人十分的快感。但却很少有人知道电蚊拍的工作原理,那么电蚊拍是怎样放电杀死蚊子的呢?首先是经过电蚊拍内部的整流器和升压变压器的作用,将220V交流电压变为2000多伏直流电压。之后就是电蚊拍的关键——电网。电蚊拍的电网,总共有三层。上下两层电网是负极,中层电网是正极。从外观看,电蚊拍外层的网眼比中层的网眼稍大,这是为了让蚊子的身体更有效的接触到中层(正极)产生短路而电死蚊子。
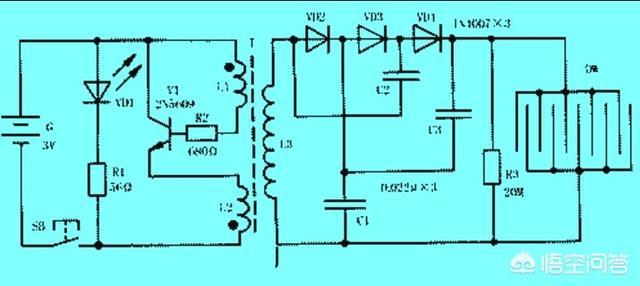
电蚊拍也叫电蝇拍,电蚊拍的工作原理主要由高频振荡电路、三倍压整流电路和高压电击网DW三部分组成。当按下电源开关SB时,由三极管VT和变压器T构成的高频振荡器通电工作,把3V直流电变成18kHz左右的高频交流电,经T升压到约800V(放电距离估测),再经二极管VD2~VD4、电容器C1~C3三倍压整流升高到2500V左右,传输到蚊拍的金属网DW上。当蚊蝇触及高压电网时,虫体造成电网短路,即会被电流、电弧杀灼或击晕、击毙。

上两图为电蚊拍电路构造图和反面电路焊接规划电路图!图中,发光二极管VD1和限流电阻器R1构成指示灯电路,用来指示电路通断状态及显示电池电能的耗损情况。晶体管VT选用2N5609型硅NPN中功率三极管,VD1用φ3mm红色发光二极管,VD2~VD4用1N4007型硅整流二极管。R1~R3均用金属膜电阻器。C1~C3一律用高压电容器(大于2kv),SB用6mm×6mm立式微型轻触开关。G用5号干电池两节串联(配塑料电池架)而成,电压3V。
被电死有网面的蚊子,用手指轻弹几下就可脱落,不可用水冲洗,以防短路。
感谢您的邀请和阅读,本文所配图片来自网络!
2018-08-04 16:54:29 -
要回答这个问题首先要知道什么叫触电,触电是因为电流流过身体形成回路。我们常见的220v家用电之所以会电人是因为大地是公共零线,我们站在地上就相当于站在零线上,这个时候去摸火线,电流就会从手流经身体回到大地(零线)形成回路造成电击。
回到主题,电蚊拍是直流电,它的负极没有和大地相连,所以单独触及电网正极是不会被电的。所以电蚊拍都必须有两层或三层电网,分别是_正-负,或负正负。三层电网的正极都在中间,防止触及正极误伤自己。
电蚊拍工作原理:将4v直流转换成2000--3000v直流,用电容器将3000v的能量存储起来,当蚊子同时触及到两层金属网时,电容瞬间对蚊子放电,完成一个电蚊过程。
总结:人遭受电击是因为电流从火线通过身体流向零线(交流),或从正极通过人体流向负极(直流)完成一个电流回路。也就是说电人的是电流而非电压,鸟儿成群结队的站在高压线上不会被电,电力工人站在几万甚至几十万伏的高压线上带电检修也是安全的,虽然触及高压,但电流无法形成回路,所以不会被电。
2018-08-04 07:40:07 -
謝谢邀请,我家的电器。坏了都找别人修,所以,我回答这个问题只能凭经验,不能凭研究。鸟可以在高压线上运动自如,而不会触电,原因是鸟的脚上有绝缘体,而蚊子没有,换句话说,高压线上除了乌以外,任何有生命的东西都可能被电死,如一些爬行动物。另外电蛟拍上有两层网,两个电极相互吸引,蚊子如拍,並未被电死,而是处于两电极的吸引之中,不可自拔。蚊子的寿命是很短的,在没有外力的前提下,只能活24小时,蚊子从出世到起飞寻食,已耗去它生命的大部份时间,所以,一旦被外力控制,很快就会死亡。这与织蛛网沾蚊虫的道理是一样的!不过两网的性质是不一样的,但所起的作用是一样的!
2018-08-04 05:10:46