单片机能不能直接驱动步进电机?
单片机能不能直接驱动步进电机?
-
一、单片机不能直接驱动步进电机。
原因是单片机虽然是主要起控制作用,但其端口主要是起到信号控制作用,而不能起到功率驱动。一般单片机的I/O口的输出电流都在20mA以内(低功耗型单片机的端口输出能力更低)。而步进电机一般都需要超过100mA以上的电流。所以就算是单片机输出自己所能输出的最大电流,仍然达不到能让步进电机启动的电流。

二、单片机如何驱动步进电机
单片机想要驱动步进电机,必须要通过一个电机驱动芯片,也就是可以单片机通过控制信号,让这个驱动芯片工作,提供步进电机所需要的工作电流。
简单说,就是需要一个驱动电路,这个驱动电路可以使用三极管等独立元件搭建,也可以使用现成的电机驱动芯片,例如L298N,ULN2003等。
还有需要注意的是,步进电机的供电电源最好单独提供,这样能起到保护的作用。
最后需要说明的是,步进电机驱动需要的是脉冲信号,并且要按照一定的顺序驱动不同的步数,这个一定要注意。
下图是采用L298N驱动步进电机的电路

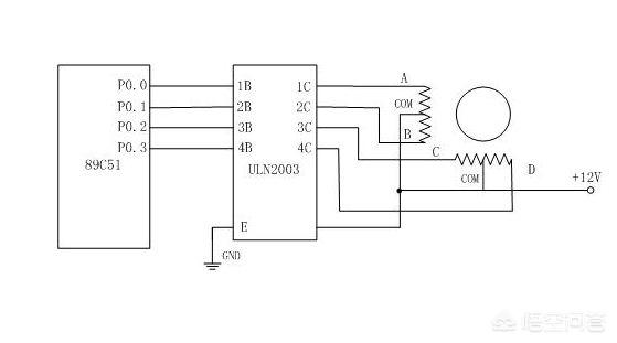
下图是采用ULN2003驱动步进电机的电路
2018-04-09 19:34:58 -
单片机GPIO口驱动电流很小,直接驱动步进电机有点勉强,不想用驱动器的话可以试试通过三极管驱动步进电机。
2019-02-09 21:50:13 -
单片机的驱动电流比较小。并不适合用来直接驱动电机。不过如果外接了电机驱动芯片或者继电器。通过控制驱动器来实现是可以的。至于步进电机它的驱动方式比较特殊,如果不用专用的驱动芯片的话,需要用让单片机根据步进电机的驱动信号顺序输出控制信号就能够实现控制。但是这种需要比较多的IO口,引脚有限的话并不建议使用。
2018-02-26 13:30:17 -
单片机GPIO口驱动电流很小,直接驱动步进电机有点勉强,不想用驱动器的话可以试试通过三极管驱动步进电机。
2019-02-09 21:50:13 -
单片机的驱动电流比较小。并不适合用来直接驱动电机。不过如果外接了电机驱动芯片或者继电器。通过控制驱动器来实现是可以的。至于步进电机它的驱动方式比较特殊,如果不用专用的驱动芯片的话,需要用让单片机根据步进电机的驱动信号顺序输出控制信号就能够实现控制。但是这种需要比较多的IO口,引脚有限的话并不建议使用。
2018-02-26 13:30:17 -
我的答案是,单片机是不可以直接驱动步进电机的,
单片机io口输出电流也就20ma,一个步进电机电流最少也得0.2a,这样就得需要一个驱动芯片或者用三极管,场效应管驱动了
2018-02-26 13:52:14 -
一般的单片机应该是驱动不了的,但是如果需要量很大的话,可以通过找一些公司定制的方式来实现,我设计过的单片机驱动的最大电流能力为2A,驱动级的MOS管都占到单片机总面积的一半了,这样设计的单片机的成本较高。
2018-02-19 22:25:14 -
我的答案是,单片机是不可以直接驱动步进电机的,
单片机io口输出电流也就20ma,一个步进电机电流最少也得0.2a,这样就得需要一个驱动芯片或者用三极管,场效应管驱动了
2018-02-26 13:52:14 -
一般的单片机应该是驱动不了的,但是如果需要量很大的话,可以通过找一些公司定制的方式来实现,我设计过的单片机驱动的最大电流能力为2A,驱动级的MOS管都占到单片机总面积的一半了,这样设计的单片机的成本较高。
2018-02-19 22:25:14